首页 实物视频演示 仿真视频演示 设计说明书预览 答辩PPT预览
实物视频演示:
软件安装:
资料预览
效果图:

总体资料:

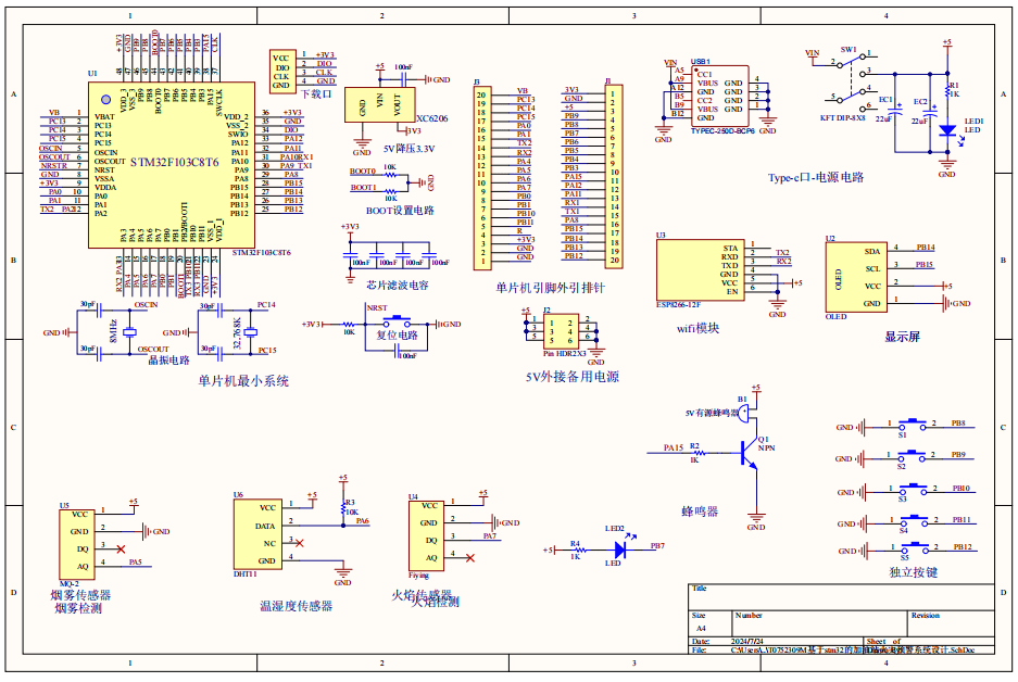
原理图:

软件设计流程:


系统框图:

本设计以STM32单片机为核心控制器,加上其他的模块一起组成基于stm32的加油站火灾预警系统设计,其中包含中控部分、输入部分和输出部分。中控部分采用了STM32单片机,其主要作用是获取输入部分数据,经过内部处理,控制输出部分。输入由五部分组成,第一部分是DHT11温湿度传感器,用于检测环境温湿度值;第二部分是MQ-2烟雾浓度传感器,通过该模块检测烟雾浓度值;第三部分是火焰传感器,用于检测是否有火;第四部分是独立按键,用于切换界面、设置温湿度、烟雾阈值,关闭报警;第五部分是供电电路,给整个系统进行供电。输出由四部分组成,第一部分是OLED显示屏, 显示温湿度、烟雾值及其阈值,是否有火;第二部分是蜂鸣器和第三部分LED灯,组成声光报警系统,当温湿度、烟雾异常,检测到火,进行声光报警;最后一部分是WIFI模块,通过WIFI上传获取的数据至手机,同时通过手机可以设置温度、心率、血氧阈值。
硬件清单:







