首页 实物视频演示 仿真视频演示 设计说明书预览 答辩PPT预览
实物视频演示:
软件安装:
资料预览
效果图:

总体资料:

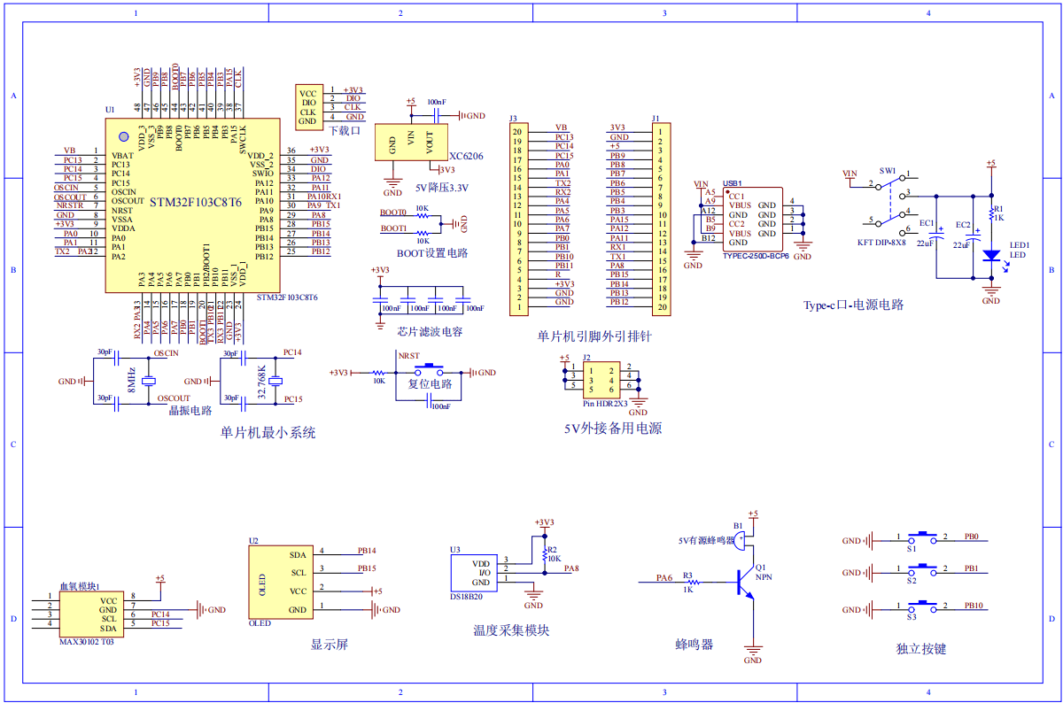
原理图:
软件设计流程:


系统框图:

本设计以STM32单片机为核心控制器,加上其他的模块一起组成基于STM32单片机的个人健康助手系统设计,其中包含中控部分、输入部分和输出部分。中控部分采用了STM32单片机,其主要作用是获取输入部分数据,经过内部处理,控制输出部分。输入由四部分组成,第一部分是DS18B20温度采集模块,用于检测温度;第二部分是血氧检测模块,通过该模块检测心率和血氧值;第三部分是独立按键,用于切换界面、设置温度和心率、血氧阈值和开关报警;第四部分是供电电路,给整个系统进行供电。输出由两部分组成,第一部分是OLED显示屏, 显示温度、心率、血氧值及其阈值,报警开关;第二部分是蜂鸣器,当检测到温度或心率或血氧不在其设定阈值内,蜂鸣器报警。
硬件清单:








