首页 实物视频演示 仿真视频演示 设计说明书预览 答辩PPT预览
实物视频演示:
软件安装:
资料预览
效果图:

总体资料:

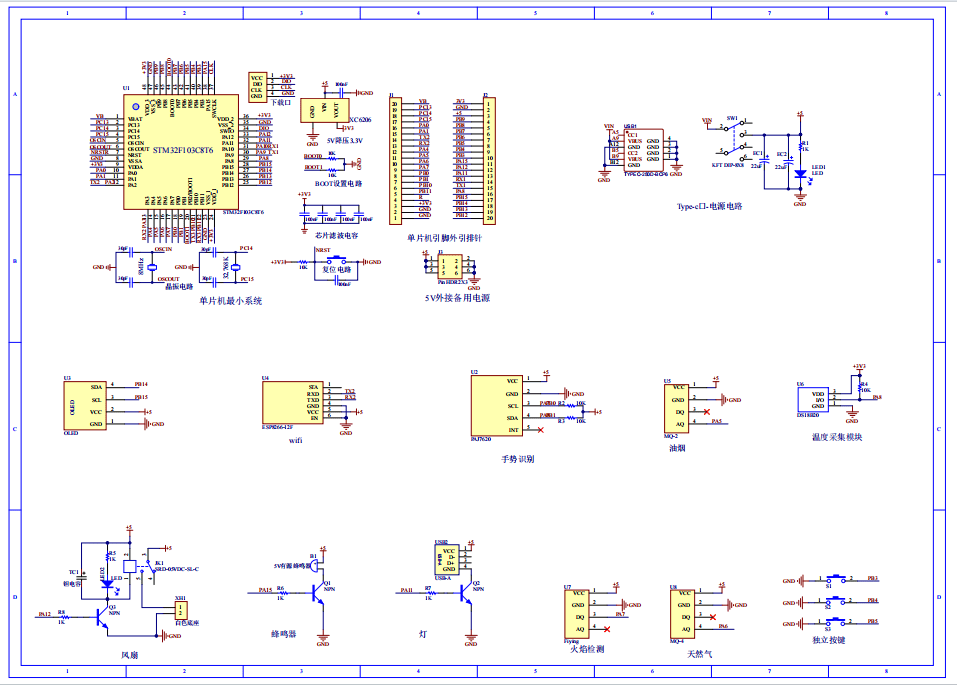
原理图:

软件设计流程:


系统框图:

本设计以STM32F103C8T6单片机为核心控制器,加上其他的模块一起组成基于云平台的智能吸油烟机的整个系统,其中包含中控部分、输入部分和输出部分。中控部分采用了STM32F103C8T6单片机,其主要作用是获取输入部分数据,经过内部处理,控制输出部分。输入由七部分组成,第一部分是DS18B20温度采集模块,用于检测当前的温度值;第二部分是火焰传感器,通过检测是否发生火灾;第三部分是MQ-2烟雾传感器,用于检测当前的油烟浓度;第四部分是MQ-4天然气传感器,用于检测当前天然气浓度值;第五部分是PAJ7620手势传感器,可通过手势控制灯/风扇/的开关;第五部分是四个独立按键,用于开关蜂鸣器、继电器、灯光;第六部分是供电电路,给整个系统供电。
输出由五部分组成,第一部分是OLED显示屏,用于显示系统名称、温度/天然气/油烟值,是否有火;第二部分是继电器,外接风扇,进行通风;第三部分是USB灯,进行照明;第四部分是WiFi模块,通过该模块可用手机查看数据和控制设备的开关;第五部分是蜂鸣器,当发生火灾或燃气超标时,蜂鸣器报警。
硬件清单:







