首页 实物视频演示 仿真视频演示 设计说明书预览 答辩PPT预览
实物视频演示:
软件安装:
资料预览
效果图:

总体资料:

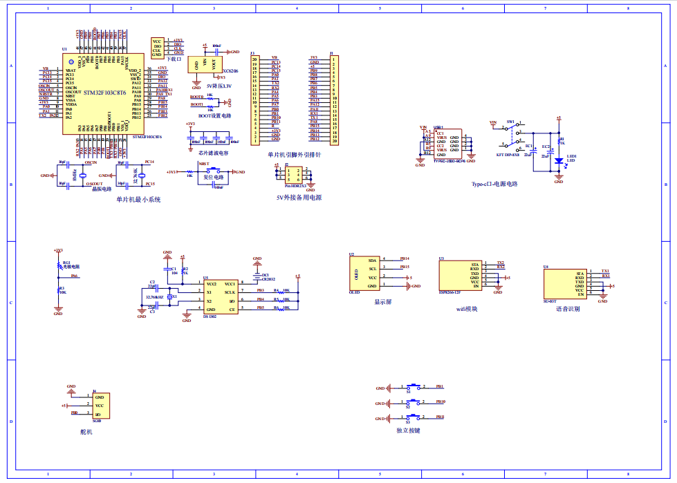
原理图:

软件设计流程:



系统框图:

本设计以STM32单片机为核心控制器,加上其他的模块一起组成的基于单片机的智能窗帘的整个系统,其中包含中控部分、输入部分和输出部分。中控部分采用了STM32单片机,其主要作用是获取输入部分数据,经过内部处理,控制输出部分。输入由五部分组成;第一部分是DS1302时钟模块,用于获取时间;第二部分是SU-03T声控模块,用于语音开关窗帘和切换模式;第三部分是光敏电阻,通过该模块可以检测当前光照强度;第四部分是独立按键,用于切换界面、设置光照阈值、修改时间,调整窗帘开关定时、配网等;第五部分是供电电路,给整个系统进行供电。输出由三部分组成,第一部分是OLED显示屏, 通过该模块显示当前模式、时间、光照和定时时间、窗帘状态等;第二部分是WIFI模块,可以连接手机同步光照强度等数据,同时可以切换模式、设置阈值等;第三部分是SG90舵机,模拟窗帘的开关。
硬件清单:







