首页 实物视频演示 仿真视频演示 设计说明书预览 答辩PPT预览
实物视频演示:
软件安装:
资料预览
效果图:
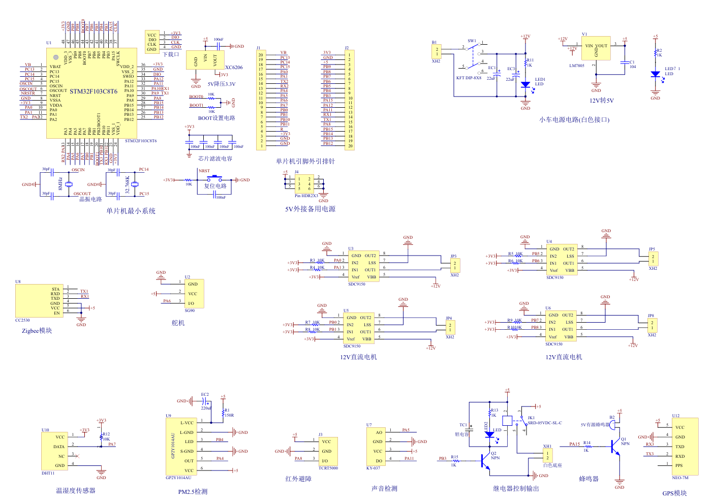
小车部分

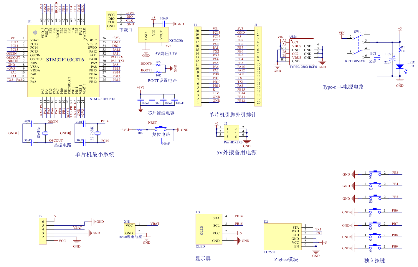
控制板部分

总体资料:

原理图:
小车部分
控制板部分

软件设计流程:


系统框图:
本设计以STM32F103单片机为核心控制器,加上其他的模块一起组成环境数据采集小车的整个系统,包含主从机两大板块,主机是遥控板,从机是小车,每个板块包含中控部分、输入部分和输出部分。中控部分采用了STM32F103单片机,其主要作用是获取输入部分数据,经过内部处理,控制输出部分。
主机输入由三部分组成,第一部分是充电模块,可以将Type-c和电池的电源转换成5V的电源;第二部分是独立按键,通过独立按键切换界面、设置PM2.5阈值、控制小车运动状态;第三部分是供电电路,给整个系统进行供电。输出由两部分组成,第一部分是OLED显示模块, 通过该模块可以显示温度、湿度、PM2.5、经纬度、小车状态和声音大小等;第二部分是蓝牙模块,和从机进行数据的接收和发送。
主机输入由七部分组成,第一部分是PM2.5传感器,检测PM2.5浓度;第二部分是噪声传感器,检测声音大小;第三部分是温湿度传感器,检测当前空气的温湿度;第四部分是GPS模块,检测当前所在位置的经纬度;第五部分是zigbee模块,和主机进行数据的接收和发送;第六部分是红外避障模块,检测小车附近是否有障碍物;第七部分是供电电路,给整个系统进行供电。输出由四部分组成,第一部分是继电器控制风扇的转动;第二部分是直流电机,驱动小车行驶;第三部分是蜂鸣器,PM2.5大于阈值时,小车停止,风扇打开,蜂鸣器报警;第五部分是舵机,当小车遇到障碍物时,控制小车的方向。
硬件清单:
小车部分

控制板部分








