首页 实物视频演示 仿真视频演示 设计说明书预览 答辩PPT预览
实物视频演示:
软件安装:
资料预览
效果图:
从机:

主机:

总体资料:

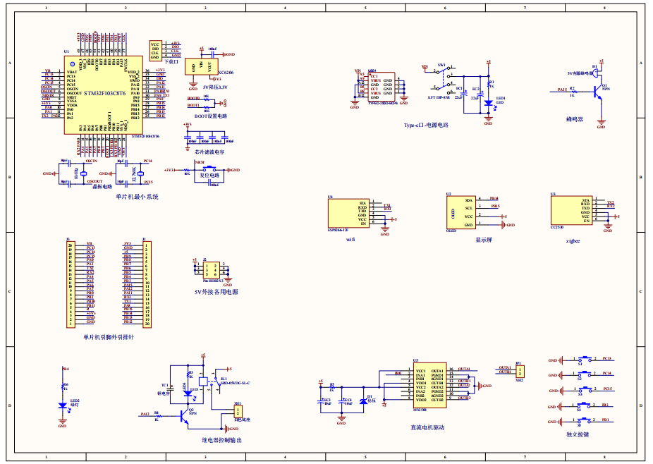
原理图:
从机:

主机:
软件设计流程:



系统框图:

本设计以STM32单片机为核心控制器,加上其他的模块一起组成基于云平台的农场环境监测设计的整个系统,分为主从机两大部分,都包含中控部分、输入部分和输出部分。中控部分采用了STM32单片机,其主要作用是获取输入部分数据,经过内部处理,控制输出部分。主机输入由三部分组成,第一部分是独立按键,用于切换界面,开关水泵和风扇,设置温湿度/土壤湿度值;第二部分是供电电路,给主机整个系统供电;第三部分是ZIGBEE模块,用于与从机传输数据。输出由六部分组成,第一部分是OLED显示模块,显示温湿度、CO2、光照强度和土壤湿度值,以及显示设置阈值;第二部分是直流电机及其驱动芯片,驱动风扇转动;第三部分是继电器,用于控制水泵;第四蜂鸣器,当温湿度超过阈值,蜂鸣器报警;第五部分是LED灯,温湿度不在阈值内,蜂鸣器进行报警;最后一部分是WIFI模块,通过该模块将获取数据上传云平台,通过平台可以控制水泵、风扇开关等。
从机输入有六部分组成,第一部分是光敏电阻,用于检测当前光照强度;第二部分是DHT11温湿度传感器,用于检测当前环境的温湿度;第三部分是土壤湿度传感器,用于检测土壤湿度值;第四部分是CO2检测模块,用于检测当前CO2浓度值;第五部分是独立按键,切换界面;第六部分是供电电路,给从机系统进行供电。输出由一部分组成,是ZIGBEE模块,与主机进行数据传输。
硬件清单:
从机:

主机:








