首页 实物视频演示 仿真视频演示 设计说明书预览 答辩PPT预览
实物视频演示:
软件安装:
资料预览
效果图:

总体资料:

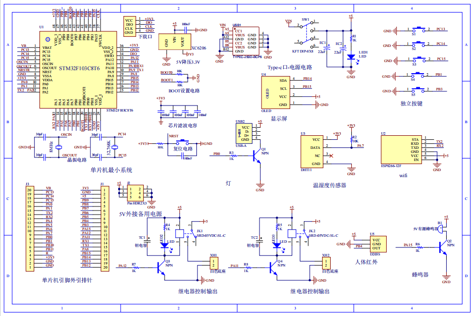
原理图:

软件设计流程:


系统框图:

本设计以STM32F103单片机为核心控制器,加上其他的模块一起组成基于stm32的智能宠物孵化箱的整个系统,其中包含中控部分、输入部分和输出部分。中控部分采用了STM32F103单片机,其主要作用是获取输入部分数据,经过内部处理,控制输出部分。输入由四部分组成,第一部分是人体红外模块,用于检测是否障碍物;第二部分是温湿度传感器,用于获取箱内温湿度值;第三部分是独立按键,进行开关灯、风扇和加湿器;第四部分是供电电路,给整个系统进行供电。输出由六部分组成,第一部分是OLED显示模块, 显示温湿度、障碍情况;第二部分是USB灯,暖灯加热;第三部分是降温继电器,外接风扇进行降温,可实现手动和自动降温;第四部分是加湿继电器,可以进行手动加湿,也可以根据湿度情况自动加湿;第五部分是蜂鸣器,当人体红外没有被触发,进行报警提醒;最后是WIFI模块,将获取的监测数据上传至云平台并通过手机控制加湿等。
硬件清单:







