首页 实物视频演示 设计说明书预览 答辩PPT预览
实物视频演示:
软件安装:
资料预览
效果图:
总体资料:

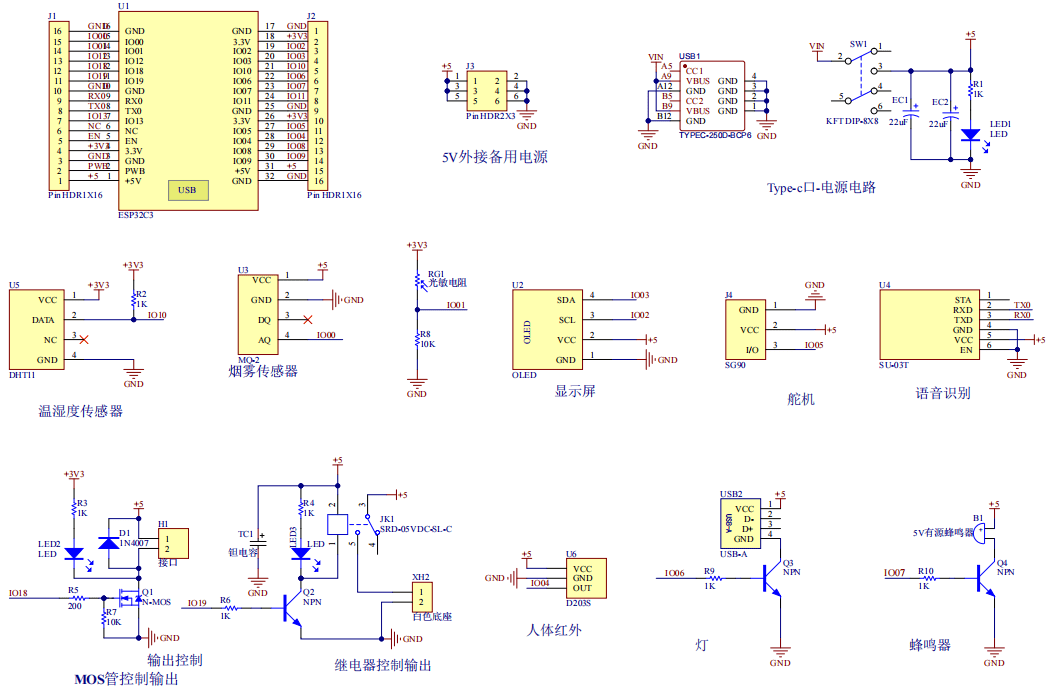
原理图:
软件设计流程:

系统框图:

本设计以ESP32单片机为核心控制器,加上其他的模块一起组成基于ESP32单片机的智能卧室系统,其中包含中控部分、输入部分和输出部分。中控部分采用了ESP32单片机,其主要作用是获取输入部分数据,经过内部处理,控制输出部分。输入由六部分组成,第一部分是人体红外,监测是否有人;第二部分是温湿度传感器,监测环境温湿度;第三部分是烟雾传感器,监测烟雾浓度;第四部分光敏电阻,检测光照强度;第五部分语音识别,语音控制;第七=六部分是供电电路,给整个系统供电。
输出由六部分组成,第一部分是OLED显示屏,通过该模块显示设置的温湿度、光照强度、烟雾浓度、安防状态、工作模式、设置阈值等界面;第二部分是MOS管控制输出,控制加热;第三部分是继电器控制输出,控制风扇;第四部分是蜂鸣器,传感器检测到数据异常或安防状态下有人闯入,蜂鸣器报警;第五部分是舵机,模拟窗帘开关;第六部分是USB等,光强不足,开灯照明。最后有单片机连接云平台,上传数据并设置。
硬件清单:







总体资料:
软件设计流程:
系统框图:
