首页 实物视频演示 设计说明书预览 答辩PPT预览
实物视频演示:
软件安装:
资料预览
效果图:
总体资料:

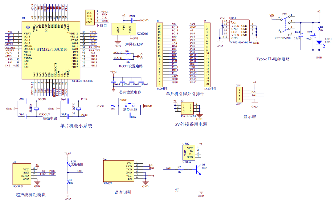
原理图:
软件设计流程:
系统框图:

本设计以STM32单片机为核心控制器,加上其他的模块一起组成的基于单片机的自动视力测试仪,其中包含中控部分、输入部分和输出部分。中控部分采用了STM32单片机,其主要作用是获取输入部分数据,经过内部处理,控制输出部分。
输入由三部分组成,第一部分是超声波测距模块,监测人体距离;第三部分是光敏电阻,获取光照强度;第三部分是供电电路,给整个系统进行供电。
输出由三部分组成,第一部分是显示屏,显示不同大小方向的E,进行视力检测,第二部分时语音模块,进行语音控制和播报;第三部分是USB灯,进行补光。
硬件清单:







总体资料:
软件设计流程:
系统框图:

proteus仿真能做吗