首页 实物视频演示 仿真视频演示 设计说明书预览 答辩PPT预览
实物视频演示:
软件安装:
资料预览
效果图:
总体资料:

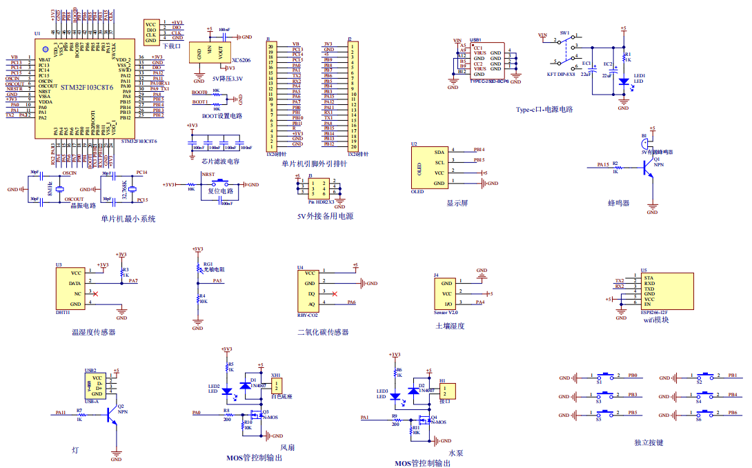
原理图:
软件设计流程:

系统框图:

本设计以STM32单片机为核心控制器,加上其他的模块一起组成基于STM32单片机的智能花卉养殖系统的设计与实现 ,其中包含中控部分、输入部分和输出部分。中控部分采用了STM32单片机,其主要作用是获取输入部分数据,经过内部处理,控制输出部分。输入由六部分组成,第一部分是温湿度传感器,检测环境温湿度;第二部分是二氧化碳传感器,检测二氧化碳浓度;第三部分是土壤湿度传感器,获取土壤湿度值;第四部分是光敏电阻,检测光照强度;第五部分是独立按键,用于切换界面和模式、控制设备、设置阈值界面;第六部分是供电电路,给整个系统供电。输出由四部分组成,第一部分是OLED显示屏,显示温湿度、光照强度、二氧化碳浓度、土壤湿度和设置阈值等界面。第二部分是两个MOS管控制输出,控制风扇和水泵;第三部分是蜂鸣器,数据异常,蜂鸣器报警提醒;最后一部分是WIFI 模块,数据上传云平台连接手机APP远程监控和控制。
硬件清单:







总体资料:
软件设计流程:
系统框图:
