首页 实物视频演示 仿真视频演示 设计说明书预览 答辩PPT预览
实物视频演示:
软件安装:
资料预览
效果图:
总体资料:

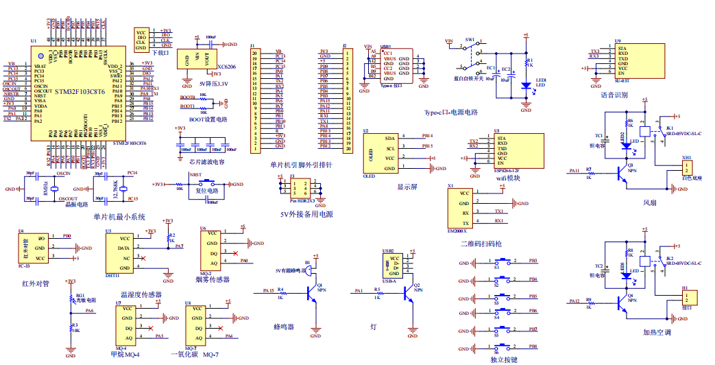
原理图:
软件设计流程:

系统框图:

本设计以STM32单片机为核心控制器,加上其他的模块一起组成基于单片机的智慧餐厅控制的整个系统,其中包含中控部分、输入部分和输出部分。中控部分采用了STM32单片机,其主要作用是获取输入部分数据,经过内部处理,控制输出部分。输入由八部分组成,第一部分是温湿度传感器,用于检测当前环境温湿度;第二部分是红外对管,用于检测是否有人;第三部分是MQ-2烟雾传感器,用于检测当前的烟雾浓度;第四部分是光敏电阻,用于检测当前的光照强度;第五部分是甲烷传感器,用于检测当前的甲烷浓度;第六部分是一氧化碳传感器,用于检测当前的一氧化碳浓度;第七部分是独立按键,用于切换界面和设置参数阈值、进入结算付款界面等。第八部分是供电电路,给整个系统供电。输出由八部分组成,第一部分是OLED显示屏,显示商品信息、商品购买选择界面、结算付款界面以及设置的各参数阈值等;第二部分是蜂鸣器,当一氧化碳,烟雾,甲烷超过阈值,进行报警;第三部分是USB灯,当光强低于阈值,打开USB灯照明;第四部分是扫码枪,点餐之后,可以实现扫码结算;第五部分是继电器(风扇),用于控制风扇;第六部分是继电器(加热空调),用于控制加热空调;第七部分是语音播报模块,用于语音播报和语音提醒;第八部分是WIFI模块,通过wifi模块连接云平台,通过手机APP和云平台实现数据的存储记录和设备控制。
硬件清单:







总体资料:
软件设计流程:
系统框图:
