首页 实物视频演示 仿真视频演示 设计说明书预览 答辩PPT预览
![]()
![]()
![]()
![]()
![]()
![]()
![]()
实物视频演示:
软件安装:
资料预览
效果图:
总体资料:

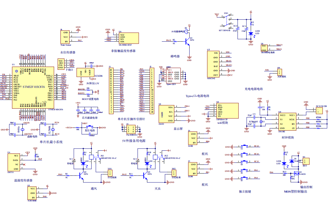
原理图:
软件设计流程:


系统框图:

本设计以STM32单片机为核心控制器,加上其他的模块一起组成的基于单片机的光伏牛羊智能控制系统的设计与实现,其中包含中控部分、输入部分和输出部分。中控部分采用了STM32单片机,其主要作用是获取输入部分数据,经过内部处理,控制输出部分。输入由九部分组成,第一部分是温湿度传感器,监测环境温湿度;第二部分是非接触温度传感器,获取温度;第三部分是时钟模块,获取时间;第四部分是水位传感器,获取水位;第五部分是红外检测模块,进行红外测温;第六部分是独立按键,用于切换界面、设置阈值等操作;第七部分是太阳能板,获取太阳能;第八部分是锂电池,蓄电、供电;第九部分是电源电路给整个系统供电。输出由六部分组成,第一部分是OLED实时显示所检测到的环境参数数据、定时投喂情况以及设置阈值界面等。第二部两个继电器控制输出,分别控制通风和灭虫;第三部分是MOS管控制输出,控制加热;第四部分是舵机,模拟喂食喂水;第五部分是蜂鸣器,超过阈值蜂鸣器报警提醒;最后一部分是WIFI模块,数据上传云平台通过WIFI连接手机APP,APP可以实现显示屏幕上的显示内容的显示,报警提示和控制按键功能。
硬件清单:







总体资料:
软件设计流程:
