首页 实物视频演示 仿真视频演示 设计说明书预览 答辩PPT预览
![]()
![]()
![]()
![]()
![]()
![]()
![]()
实物视频演示:
软件安装:
资料预览
效果图:
总体资料:

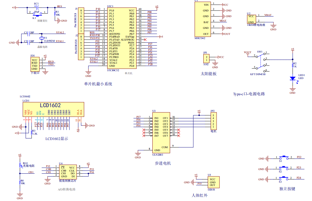
原理图:
软件设计流程:
系统框图:

本设计以STC89C52单片机为核心控制器,加上其他的模块一起组成基于单片机的太阳能驱动的智能百叶窗整个系统,其中包含中控部分、输入部分和输出部分。中控部分采用了STC89C52单片机,其主要作用是获取输入部分数据,经过内部处理,控制输出部分。输入由四部分组成,第一部分是光敏电阻和ADC0832组成的,用于检测当前光照强度;第二部分是人体红外,监测是否有人;第三部分是独立按键,用于切换界面,设置阈值 、手动控制百叶窗的开关;第四、五部分是太阳能板和锂电池,供电。输出由两部分组成,第一部分是LCD1602显示屏, 显示检测到的光照值、设置的光照阈值、模式等;第二部分是步进电机,模拟百叶窗的开关。
硬件清单:







总体资料:
软件设计流程:
系统框图:
