首页 实物视频演示 仿真视频演示 设计说明书预览 答辩PPT预览
![]()
![]()
![]()
![]()
![]()
![]()
![]()
实物视频演示:
软件安装:
资料预览
效果图:
总体资料:

原理图:
软件设计流程:

系统框图:

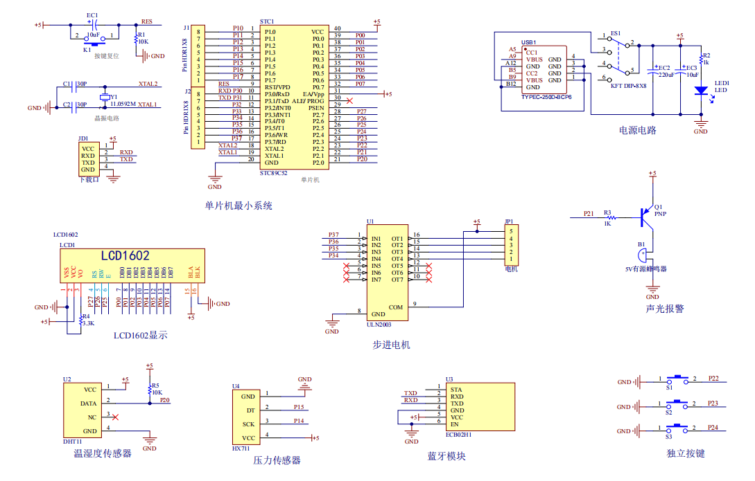
本设计以STC89C52单片机为核心控制器,加上其他的模块一起组成基于51单片机的自动中药柜,其中包含中控部分、输入部分和输出部分。中控部分采用了STC89C52单片机,其主要作用是获取输入部分数据,经过内部处理,控制输出部分。输入由四部分组成,第一部分是温湿度传感器,检测温湿度;第二部分是压力传感器,检测重量;第三部分是独立按键,可以切换界面,设置温度阈值;最后一部分是供电电路,给整个系统进行供电。输出由四部分组成,第一部分是LCD1602显示模块,用于显示当前的温度、湿度、重量以及设置阈值界面;第二部分是步进电机,将物品推到压力传感器上;第三部分是蜂鸣器,检测到温湿度数据异常蜂鸣器报警提醒;第四部分是蓝牙模块,连接手机进行监控和控制。
硬件清单:







总体资料:
软件设计流程:
系统框图:
