首页 实物视频演示 设计说明书预览 答辩PPT预览
![]()
![]()
![]()
![]()
![]()
![]()
![]()
实物视频演示:
软件安装:
资料预览
效果图:
总体资料:

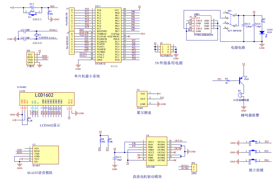
原理图:
软件设计流程:

系统框图:

本设计以51单片机为核心控制器,加上其他的模块一起组成基于51的车辆超速系统的设计与实现 ,其中包含中控部分、输入部分和输出部分。中控部分采用了STC89C52单片机,其主要作用是获取输入部分数据,经过内部处理,控制输出部分。输入由四部分组成,第一部分是霍尔传感器,检测车速;第二部分是是独立按键,进行切换界面、设置阈值;第三部分供电电路,给整个系统供电。输出由四部分组成,第一部分是LCD1602显示屏,显示实时车速。第二部分是蜂鸣器,判定超速,蜂鸣器报警提醒;第三部分是语音模块,进行语音播报;第四部分是直流电机,模拟货车运行。
硬件清单:







总体资料:
软件设计流程:
系统框图:
