首页 实物视频演示 仿真视频演示 设计说明书预览 答辩PPT预览
实物视频演示:
软件安装:
资料预览
效果图:

总体资料:

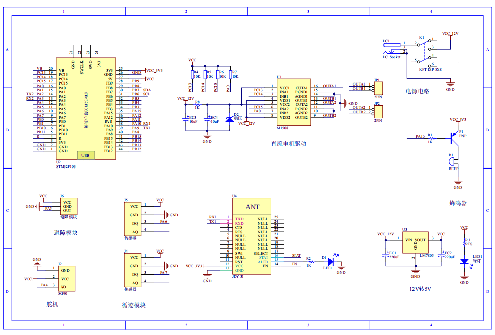
原理图:

软件设计流程:


系统框图:

本设计以STM32F103单片机为核心控制器,加上其他的模块一起组成红外避障的整个系统,其中包含中控部分、输入部分和输出部分。中控部分采用了STM32F103单片机,其主要作用是获取输入部分数据,经过内部处理,控制输出部分。输入由两部分组成,第一部分是红外模块,通过该模块可选择红外避障模式和红外循迹模式;第二部分是供电电路,给整个系统进行供电。输出由三部分组成,第一部分是舵机, 控制小车前进方向;第二部分是JDY-31蓝牙模块,通过该模块连接手机,用手机控制面板控制小车运动状态;第三部分是MX1508电机驱动模块,该模块可同时驱动转向电机以及前进后退电机。
硬件清单:







