首页 实物视频演示 设计说明书预览 答辩PPT预览
实物视频演示:
软件安装:
资料预览
效果图:
主机:
从机:
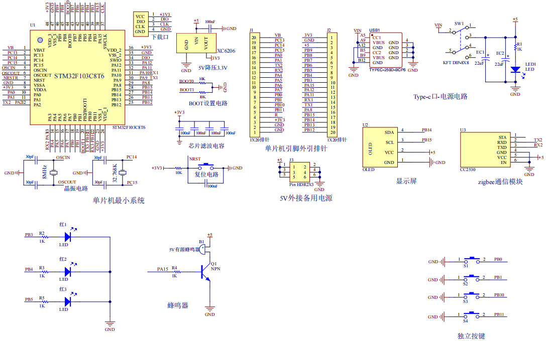
总体资料:

原理图:
主机:
从机:
软件设计流程:


系统框图:

本设计以STM32单片机为核心控制器,加上其他的模块一起组成的基于STM32的健康养生知识竞赛抢答系统的设计与实现,其中包含中控部分、输入部分和输出部分。中控部分采用了STM32单片机,其主要作用是获取输入部分数据,经过内部处理,控制输出部分。主机输入由三部分组成,第一部分是独立按键,不同按键执行不同功能如显示题目、显示答案、开始竞答、结束竞答;第二部分是供电电路,给整个主机部分供电;第三部分是zigbee模块,用于和从机数据传输。输出由三部分组成,第一部分是是OLED显示屏,显示题目以及抢答成功的选手。第二部分是蜂鸣器,蜂鸣器响提醒用户进行抢答。第三部分是LED灯,显示提醒哪一位参赛者抢答成功。
从机输入由二部分组成,第一部分是独立按键,用于抢答题目。第二部分是供电电路,负责给整个系统供电。输出由两部分组成,第一部分是LED灯抢答成功亮灯;第二部分是Zigbee模块,通过该模块和主机数据传输。
硬件清单:
主机:

从机:







总体资料:
软件设计流程:

系统框图:
