首页 实物视频演示 仿真视频演示 设计说明书预览 答辩PPT预览
实物视频演示:
软件安装:
资料预览
效果图:

总体资料:

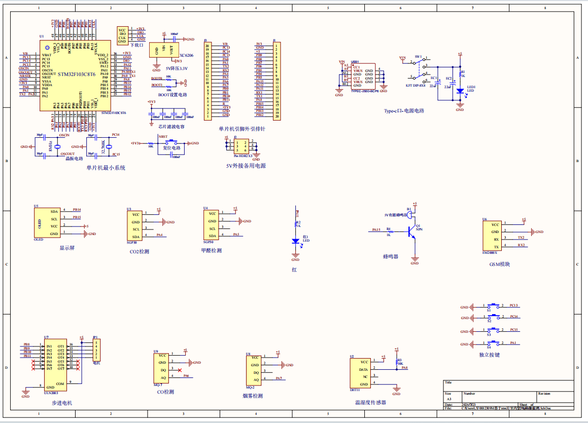
原理图:

软件设计流程:


系统框图:

本设计以STM32单片机为核心控制器,加上其他的模块一起组成基于stm32室内空气质量监测控制系统的设计,其中包含中控部分、输入部分和输出部分。中控部分采用了STM32单片机,其主要作用是获取输入部分数据,经过内部处理,控制输出部分。
输入由七部分组成,第一部分是MQ-2烟雾传感器,用于检测当前的烟雾物值;第二部分是DHT11温湿度传感器,用于检测当前的温湿度值;第三部分是甲醛传感器,用于检测当前的甲醛浓度值;第三部分是甲醛检测模块,用于检测当前的甲醛浓度值;第四部分是MQ-7气体传感器,用于检测当前的CO浓度值;第五部分是CO2检测模块,用于检测当前的二氧化碳浓度值;第六部分是独立按键,用于切换界面,开关窗户、关闭声光报警。最后一部分是供电电路,给整个系统供电。
输出由五部分组成,第一部分是OLED显示屏,切换界面,开关窗户、关闭声光报警;第二部分是ULN2003步进电机驱动,用于模拟窗户的开关;第三部分和第四部分分别是LED灯、蜂鸣器,两者组合形成声光报警系统,当采集到的数据信息过高进行声光报警提醒;最后一部分是GSM模块,将获取的空气质量数据通过短信形式发送给手机。
硬件清单:







