首页 实物视频演示 仿真视频演示 设计说明书预览 答辩PPT预览
实物视频演示:
软件安装:
资料预览
效果图:

总体资料:

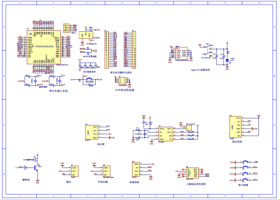
原理图:

软件设计流程:



系统框图:

本设计以STM32单片机为核心控制器,加上其他的模块一起组成的基于单片机的多功能行李箱设计与实现的整个系统,其中包含中控部分、输入部分和输出部分。中控部分采用了STM32单片机,其主要作用是获取输入部分数据,经过内部处理,控制输出部分。输入由七部分组成;第一部分是三轴加速度传感器,用于检测震动频率;第二部分是声音检测模块,用于声音值;第三部分是DS1302时钟模块,通过该模块可以获取时间;第四部分是HX711称重模块,用于获取物品重量;第五部分是AS608指纹模块,用于指纹开解锁;第六部分是独立按键,用于切换界面、添加/删除指纹,修改时间和异常打开,关闭报警;第七部分是供电电路,给整个系统进行供电。输出由三部分组成,第一部分是OLED显示屏, 通过该模块显示重量、行李箱状态和报警情况,以及设置时间;第二部分是蜂鸣器,当声音/震动超过阈值,或锁异常时,进行报警;第三部分是SG90舵机,模拟行李箱锁的开关。
硬件清单:








可以显示经纬度吗
声音检测用处是什么
视频只有一分钟么?
明天联系这边视频修改下
麻烦尽快修改 这边要购买
你好,已经修改好咯,你看看
实物视频就一分钟?
为什么是实验室?
稍等,我来核实一下。
感谢提醒,已更新