首页 实物视频演示 仿真视频演示 设计说明书预览 答辩PPT预览
实物视频演示:
软件安装:
资料预览
效果图:

总体资料:

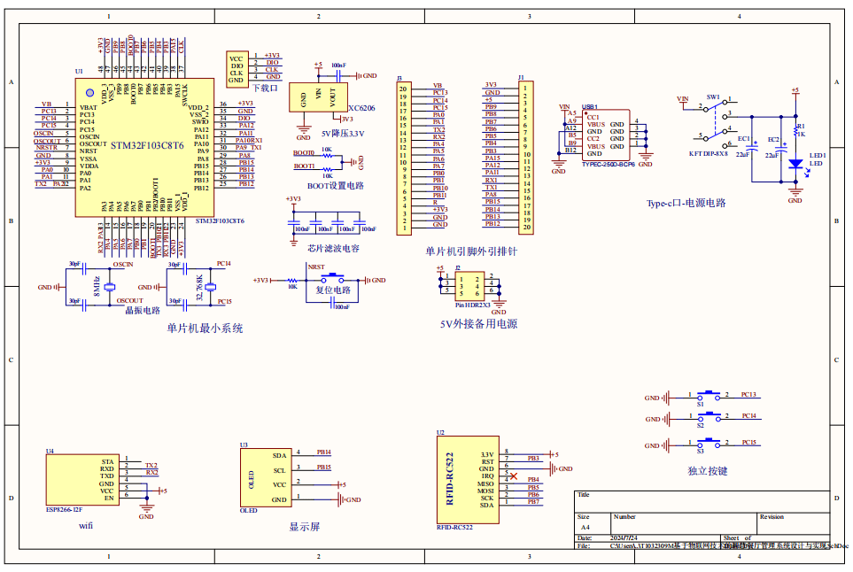
原理图:

软件设计流程:


系统框图:

本设计以STM32单片机为核心控制器,加上其他的模块一起组成基于物联网技术的智慧餐厅管理系统设计与实现,其中包含中控部分、输入部分和输出部分。中控部分采用了STM32单片机,其主要作用是获取输入部分数据,经过内部处理,控制输出部分。输入由三部分组成,第一部分是RFID,通过该模块检测当前的人数值;第二部分是独立按键,进行就餐刷卡、结束用餐;第三部分是供电电路,给整个系统供电。输出由两部分组成,第一部分是OLED显示屏,用于显示就餐人数;第二部分是ESP8266 WIFI模块,通过该模块上传获取的就餐人数数据至手机。
硬件清单:







