首页 实物视频演示 仿真视频演示 设计说明书预览 答辩PPT预览
仿真视频演示:
软件安装:
资料预览
效果图:
总体资料:

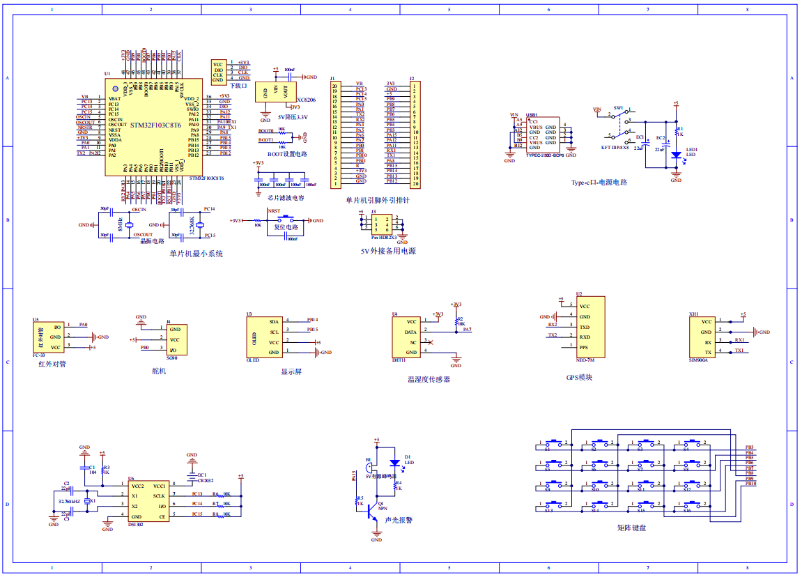
原理图:

软件设计流程:


系统框图:

本设计以STM32单片机为核心控制器,加上其他的模块一起组成的基于STM32单片机的智能药盒的整个系统,其中包含中控部分、输入部分和输出部分。中控部分采用了STM32单片机,其主要作用是获取输入部分数据,经过内部处理,控制输出部分。输入由六部分组成,第一部分是DS1302时钟模块,用于获取时间;第二部分时DHT11温湿度传感器,用于获取温湿度值;第三部分是红外传感器,检测是否完成吃药;第四部分是GPS模块,用于获取经纬度位置;第五部分是矩阵键盘,切换界面和设置用药量、设置吃药时间、发送地理位置;第六部分是供电电路,给整个系统进行供电。输出由四部分组成,第一部分是OLED显示屏,可以显示系统名称、时间、温湿度和经纬度、药品定时时间和用药量;第二部分是声光报警,到达吃药时间进行报警;第三部分是舵机,用于模拟药盒;最后是GSM模块,可以进行一键求救时,发送经纬度位置消息,也可以提前十分钟提醒吃药。
硬件清单:










