首页 实物视频演示 仿真视频演示 设计说明书预览 答辩PPT预览
实物视频演示:
软件安装:
资料预览
效果图:
从机:

主机:

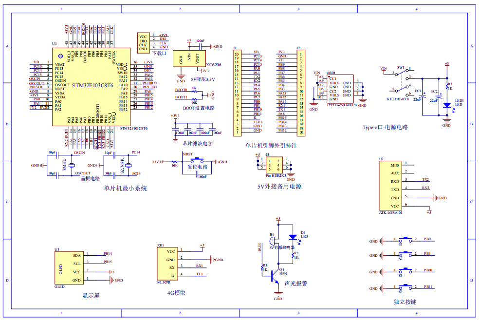
总体资料:

原理图:
从机:

主机:
软件设计流程:




系统框图:

本设计以STM32单片机为核心控制器,加上其他的模块一起组成基于物联网的智能路灯控制设计的整个系统,其中包含中控部分、输入部分和输出部分。中控部分采用了STM32单单片机,其主要作用是获取输入部分数据,经过内部处理,控制输出部分。主机输入由三部分组成,第一部分是独立按键,进行切换模式、保存灯光亮度、调节灯亮;第二部分是LORA模块,与从机进行数据之间的传输;第三部分是供电电路,给整个系统进行供电。输出由二部分组成,第一部分是OLED显示模块, 通过该模块可以显示光照强度、模式和灯亮度以及路灯状态;第二部分是声光报警,灯光出现故障进行报警;最后是4G模块,通过该模块将获取的数据上传至阿里云平台。
从机输入由两部分组成,第一部分是2个光敏电阻, 通过该模块可以检测当前的光照强度;第二部分是供电电路,给整个系统进行供电。输出由三部分组成,第一部分是OLED显示屏,显示光照、模式、灯光亮度和路灯状态;第二部分是LORA模块,用于与主机进行数据的传输;第三部分是USB灯,充当路灯使用。
硬件清单:
从机:

主机:








