首页 实物视频演示 设计说明书预览 答辩PPT预览
实物视频演示:
软件安装:
资料预览
效果图:

总体资料:

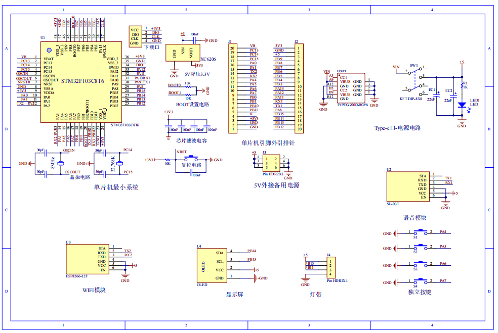
原理图:

软件设计流程:


系统框图:

本设计以STM32单片机为核心控制器,加上其他的模块一起组成基于单片机的智能灯光控制设计的整个系统,其中包含中控部分、输入部分和输出部分。中控部分采用了STM32单片机,其主要作用是获取输入部分数据,经过内部处理,控制输出部分。输入由三部分组成,第一部分是是SU-03T语音控制,用于控制灯的开关,亮度和白色/暖色灯光的切换;第二部分是独立按键,用于用于切换灯光色系、调节亮度;第三部分是供电电路,给整个系统供电。输出由三部分组成,第一部分是OLED显示屏,可以显示当前的系统名称、灯光状态和亮度等;第二部分是灯带,用于照明(白色和暖色灯)。最后一部分是WIFI模块,用于连接手机,将获取到的数据等上传至手机,手机还可控制灯的状态,设置亮度。
硬件清单:








可以控制365NM的紫光灯