首页 实物视频演示 仿真视频演示 设计说明书预览 答辩PPT预览
实物视频演示:
软件安装:
资料预览
效果图:

总体资料:

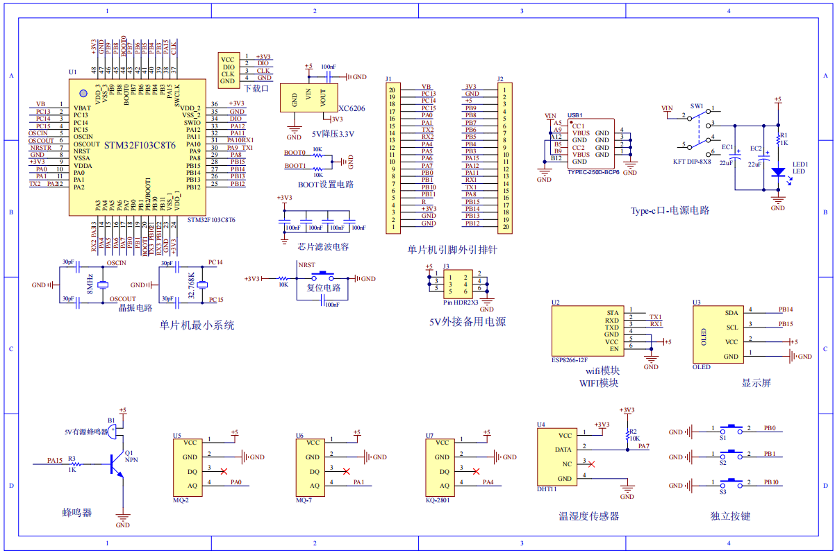
原理图:
软件设计流程:


系统框图:

本设计以STM32单片机为核心控制器,加上其他的模块一起组成基于单片机的矿井环境监测系统设计,其中包含中控部分、输入部分和输出部分。中控部分采用了STM32单片机,其主要作用是获取输入部分数据,经过内部处理,控制输出部分。输入由六部分组成,第一部分是CO2传感器,用于检测当前的CO2浓度值;第二部分是DHT11温湿度传感器,用于获取空气温湿度值;第三部分是MQ-7氢气传感器,用于检测当前的氢气值;第四部分是MQ-2烟雾传感器,用于检测烟雾值;第五部分是独立按键,用于切换界面、设置烟雾/氢气/CO2阈值;最后一部分是供电电路,给整个系统供电。输出由三部分组成,第一部分是OLED显示屏,通过显示屏显示温湿度、氢气、烟雾和CO2值等;第二部分是蜂鸣器,当烟雾浓度或氢气浓度或二氧化碳浓度超出阈值,蜂鸣器报警;最后一部分是WIFI模块,通过该模块将获取的数据上传至手机,并通过手机进行设置阈值。
硬件清单:








