首页 实物视频演示 仿真视频演示 设计说明书预览 答辩PPT预览
实物视频演示:
软件安装:
资料预览
效果图:

总体资料:

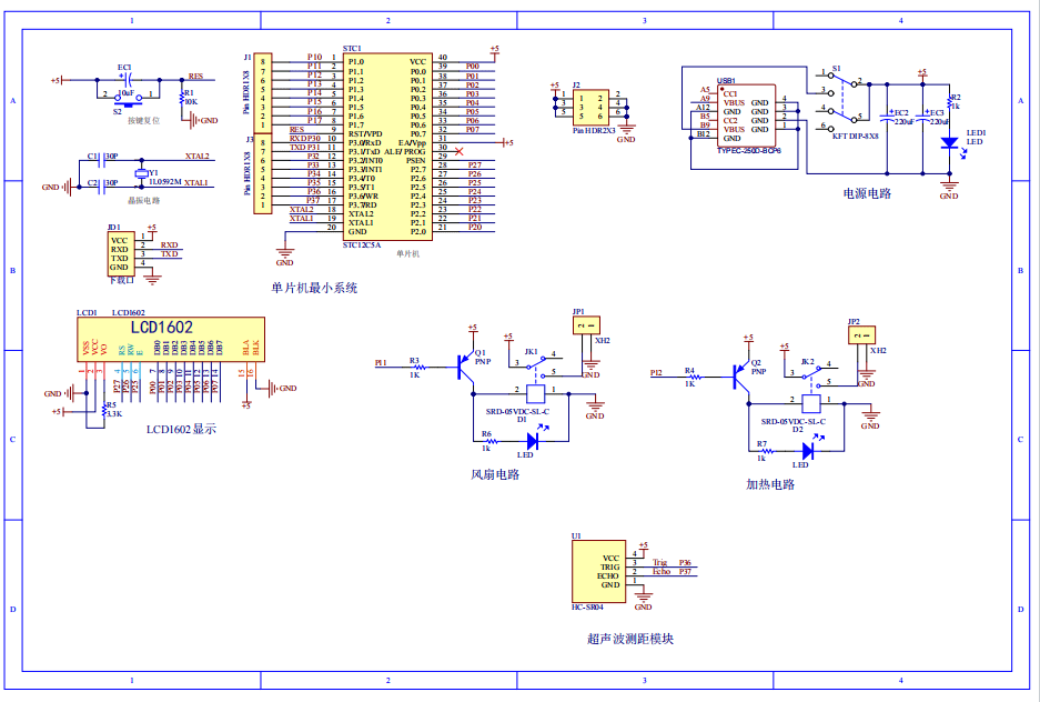
原理图:

软件设计流程:


系统框图:

本设计以STC89C52单片机为核心控制器,加上其他的模块一起组成基于单片机的智能烘手器的整个系统,其中包含中控部分、输入部分和输出部分。中控部分采用了STC89C52单片机,其主要作用是获取输入部分数据,经过内部处理,控制输出部分。输入由两部分组成,第一部分是HC-SR04超声波测距模块,通过该模块来检测距离;第二部分是供电电路,给整个系统进行供电。输出由三部分组成,第一部分是LCD1602显示模块,用于显示烘手器工作状态;第二部分是继电器控制输出,进行加热;第三部分是继电器控制输出,进行吹风。
硬件清单:







