首页 实物视频演示 仿真视频演示 设计说明书预览 答辩PPT预览
仿真视频演示:
软件安装:
资料预览
效果图:
总体资料:

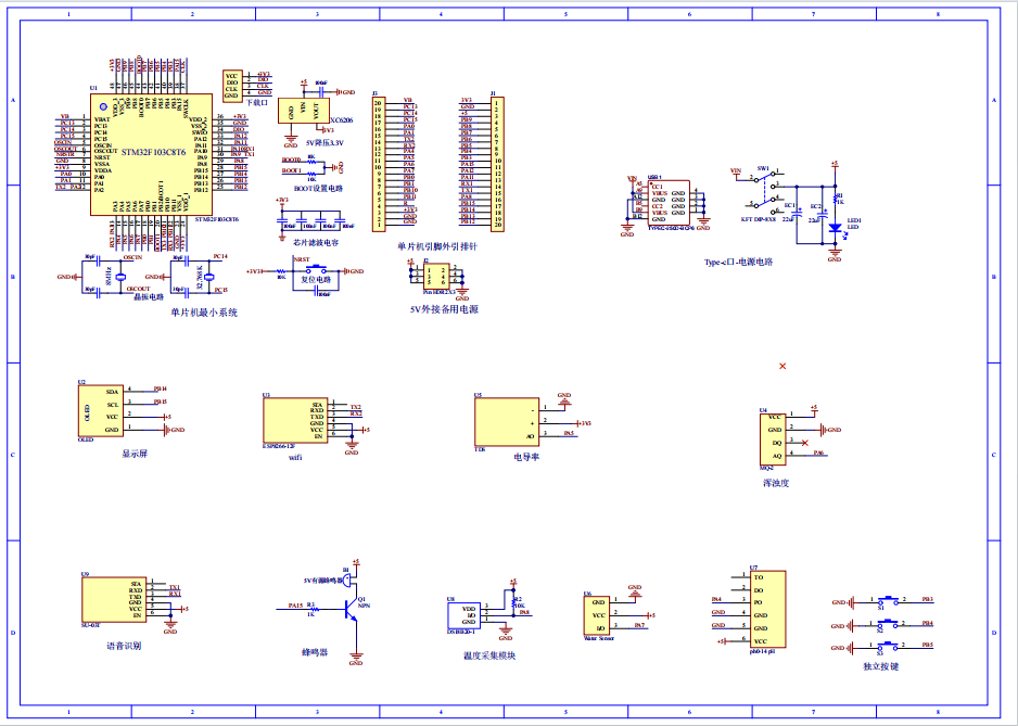
原理图:

软件设计流程:


系统框图:

本设计以STM32单片机为核心控制器,加上其他的模块一起组成基于单片机的河流水质检测设计的整个系统,其中包含中控部分、输入部分和输出部分。中控部分采用了STM32单片机,其主要作用是获取输入部分数据,经过内部处理,控制输出部分。输入由七部分组成,第一部分是DS18B20温度传感器,用于检测当前的温度;第二部分是水位传感器,用于检测当前的水位值;第三部分是PH检测模块,用于检测当前的PH值;第四部分是TDS检测模块,用于检测可溶解性物质;第五部分是浑浊度检测模块,用于检测水的浑浊度值;第六部分是独立按键,用于切换界面、设置水位/TDS/浑浊度/温度和PH阈值;第七部分是供电电路,给整个系统供电。输出由四部分组成,第一部分是OLED显示屏,显示系统名称、获取的各项值以及其阈值;第二部分是SU-03T语音播报,可以播报获取的各项参数值;第三部分是WIFI模块,通过该模块连接云平台传输获取的数据,同时手机可以对阈值进行设置;最后一部分是蜂鸣器,当各项参数异常,进行报警。
硬件清单:










