首页 实物视频演示 仿真视频演示 设计说明书预览 答辩PPT预览
仿真视频演示:
软件安装:
资料预览
效果图:
总体资料:

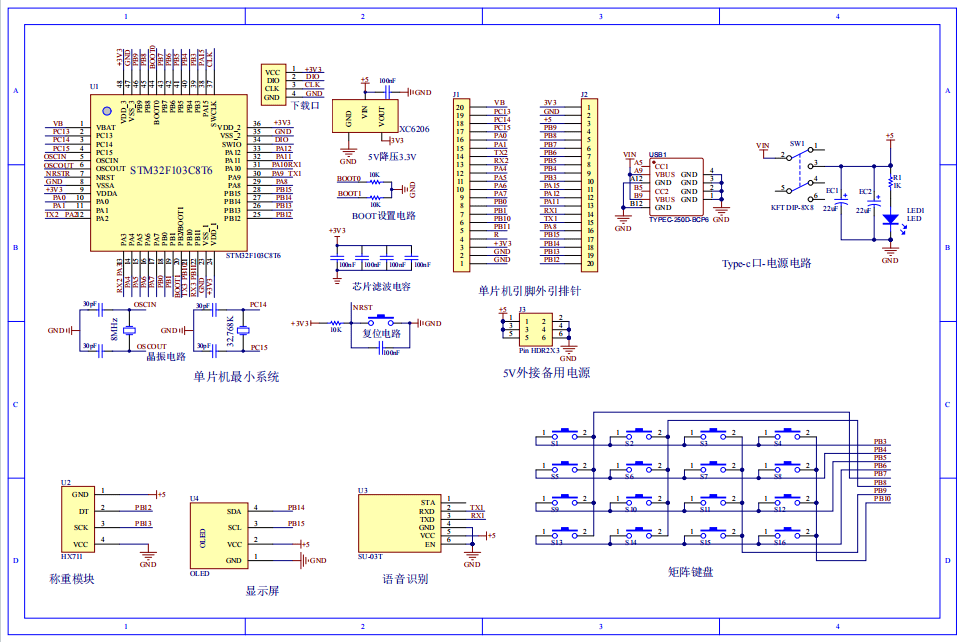
原理图:

软件设计流程:



系统框图:

本设计以STM32单片机为核心控制器,加上其他的模块一起组成的基于STM32单片机的智能电子秤设计的整个系统,其中包含中控部分、输入部分和输出部分。中控部分采用了STM3单片机,其主要作用是获取输入部分数据,经过内部处理,控制输出部分。输入由三部分组成;第一部分是HX711称重模块,用用于检测环境温湿度值;第二部分是矩阵键盘,用于充当数字键、打开语音播报、手动去皮、切换计算单位和单价清零;第三部分是供电电路,给整个系统进行供电。输出由两部分组成,第一部分是OLED显示屏, 通过该模块显示系统名称、重量、单价和总价等;第二部分是SU-03T语音播报,语音播报重量和总金额。
硬件清单:










