首页 实物视频演示 设计说明书预览 答辩PPT预览
实物视频演示:
软件安装:
资料预览
效果图:

总体资料:

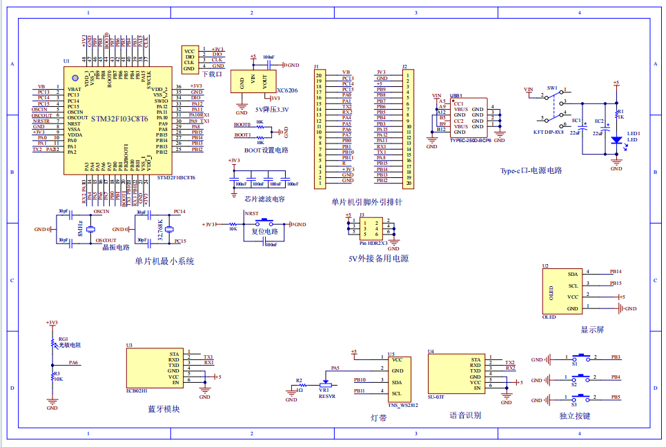
原理图:

软件设计流程:



系统框图:

本设计以STM32单片机为核心控制器,加上其他的模块一起组成的基于单片机的照明系统节电控制设计的整个系统,其中包含中控部分、输入部分和输出部分。中控部分采用了STM32单片机,其主要作用是获取输入部分数据,经过内部处理,控制输出部分。输入由五部分组成;第一部分是ECB02蓝牙模块,用于远程操控室内灯光,并设置电流监测灯光强度;第二部分是SU-03T声控模块,用于控制灯的开关、灯光强度与颜色变化;第三部分是光敏电阻,通过该模块可以检测当前光照强度;第四部分是独立按键,用于切换颜色、开关灯光、切换亮度;第五部分是供电电路,给整个系统进行供电。输出由两部分组成,第一部分是OLED显示屏, 通过该模块显示当前灯状态、灯色、光照强度等;第二部分是灯带,用于照明。
硬件清单:







