首页 实物视频演示 仿真视频演示 设计说明书预览 答辩PPT预览
仿真视频演示:
软件安装:
资料预览
效果图:
总体资料:

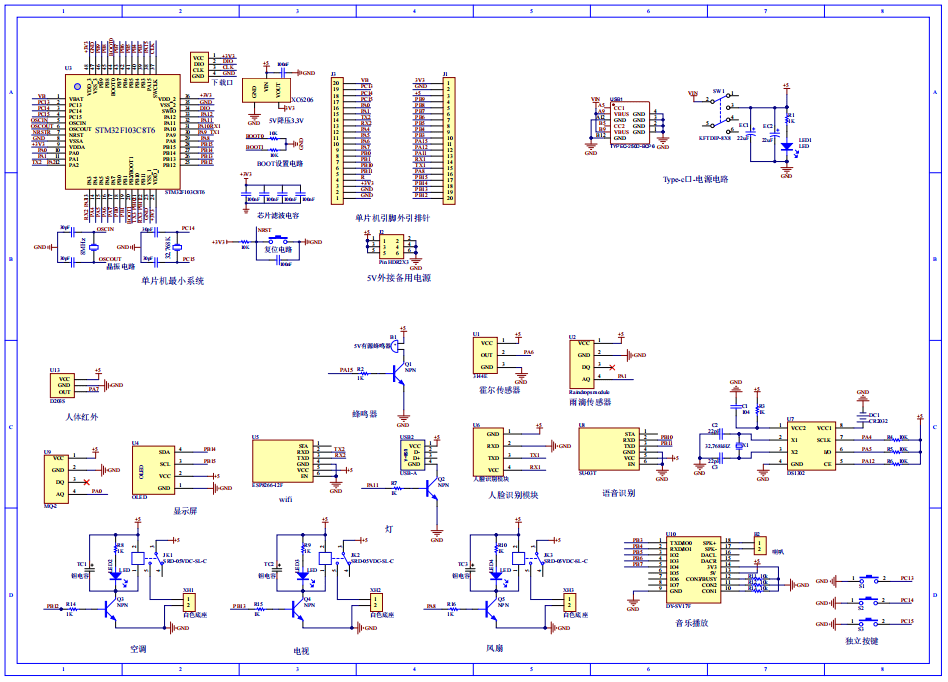
原理图:

软件设计流程:



系统框图:

本设计以STM32单片机为核心控制器,加上其他的模块一起组成的基于stm32的智能家居设计的整个系统,其中包含中控部分、输入部分和输出部分。中控部分采用了STM32单片机,其主要作用是获取输入部分数据,经过内部处理,控制输出部分。输入由八部分组成;第一部分是雨滴传感器,检测是否有雨;第二部分是人脸识别模块,用于识别人脸解锁;第三部分是烟雾传感器,用于检测烟雾浓度值;第四部分是DS1302时钟模块,用于获取时间;第五部分是SU-03T声控模块,用于语音开关窗;第六部分是霍尔传感器,可以检测门窗是否关好;第七部分是独立按键,用于切换界面、设置亮度和定时、开关电器、修改时间,进行人脸识别等;第八部分是供电电路,给整个系统进行供电。输出由六部分组成,第一部分是OLED显示屏, 通过该模块显示门的开关状态、光亮度,门和播放器、家电状态,以及显示设置时间;第二部分是WIFI模块,可以连接手机同步数据,同时可以控制家电开关等;第三部分是USB灯,照明作用;第四部分是3个继电器,模拟控制空调、电视和风扇;第五部分是音乐模块,用于播报音乐;第六部分是蜂鸣器,窗户未关紧,进行报警;最后是2个舵机,分贝模拟窗户和门锁开关。
硬件清单:



 
        
 
         
         
        

