首页 实物视频演示 仿真视频演示 设计说明书预览 答辩PPT预览
实物视频演示:
软件安装:
资料预览
效果图:

总体资料:

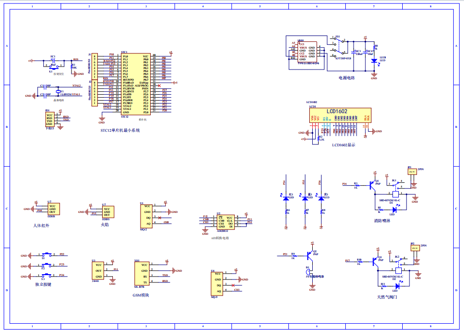
原理图:

软件设计流程:


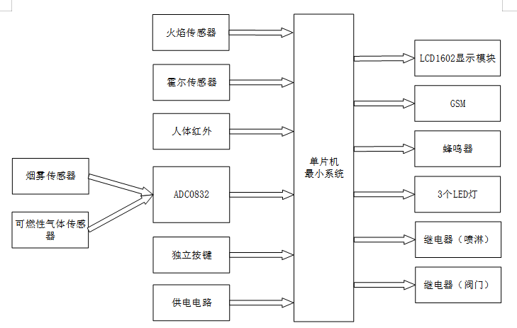
系统框图:

本设计以STC89C52单片机为核心控制器,加上其他的模块一起组成基于单片机的智能家居安防设计的整个系统,其中包含中控部分、输入部分和输出部分。中控部分采用了STC89C52单片机,其主要作用是获取输入部分数据,经过内部处理,控制输出部分。输入由七部分组成,第一部分火焰传感器模块,用于检测是否有火焰;第二部分是霍尔传感器模块,通过该模块检测当前窗户是否关紧;第三部分是人体红外模块,通过该模块检测是否有人;第四部分是MQ-2烟雾传感器和ADC0832组成的烟雾检测模块,通过该模块检测烟雾浓度;第五部分是MQ-9可燃性气体传感器和ADC0832组成的,可以用来检测可燃性气体浓度值;第六部分是独立按键,通过独立按键进行切换界面、安防撤防、调整烟雾/可燃性气体阈值;第七部分是供电电路,给整个系统进行供电。输出由六部分组成,第一部分是LCD1602显示模块, 在主界面时显示当前烟雾/可燃性气体浓度、安防状态,其他界面显示设置的烟雾/可燃性气体阈值;第二部分是GSM,当安防状态检测到人,门未关好或检测到烟雾/可燃性气体大于阈值,检测到火焰,通过该模块发送短信;第三部分是蜂鸣器,当安防状态下异常情况,蜂鸣器报警。第四部分是3个LED灯,分别用于指示安防状态下,检测到人、可燃性气体超过阈值、检测到火焰。第五和六部分是2个继电器,分别控制消防喷淋和天然气阀门。
硬件清单:







