首页 实物视频演示 仿真视频演示 设计说明书预览 答辩PPT预览
仿真视频演示:
软件安装:
资料预览
效果图:
总体资料:

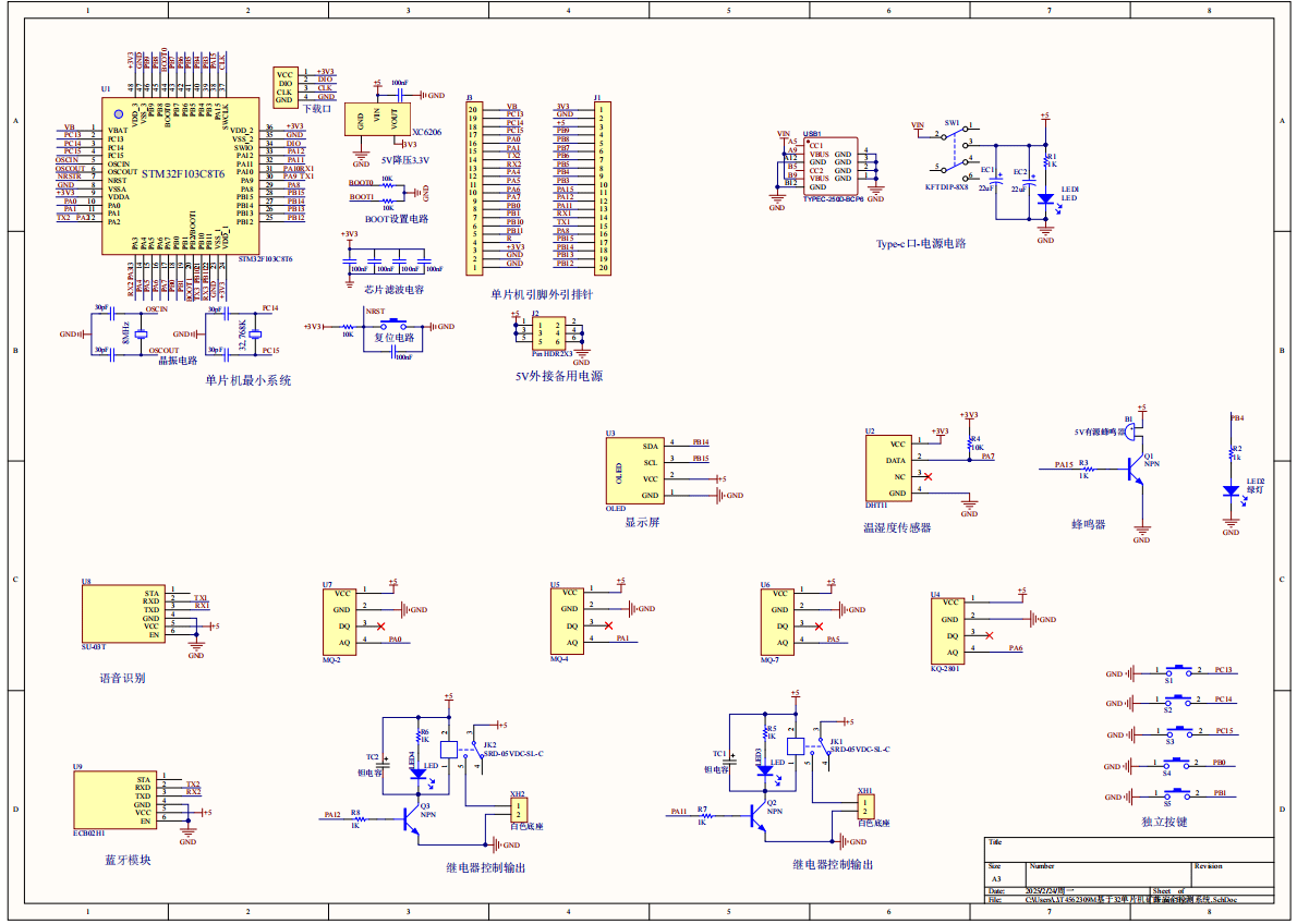
原理图:
软件设计流程:


系统框图:

本设计以STM32单片机为核心控制器,加上其他的模块一起组成基于32单片机矿井安全检测系统设计,其中包含中控部分、输入部分和输出部分。中控部分采用了STM32单片机,其主要作用是获取输入部分数据,经过内部处理,控制输出部分。输入由七部分组成,第一部分是MQ-4甲烷传感器,检测当前甲烷浓度;第二部分是CO传感器,用于检测当前CO浓度;第三部分是烟雾传感器,用于检测当前的烟雾浓度;第四部分是CO2传感器,用于检测当前的CO2浓度;第五部分是温湿度传感器,用于获取温湿度值;第六部分是独立按键,用于进行界面切换、播报参数值、并设置相关阈值;第七部分是供电电路,给整个系统进行供电。
输出由五部分组成,第一部分是OLED显示模块, 显示检测的参数值并显示设置其阈值;第二部分是语音播报模块,可以语音播报参数值;第三部分是2个继电器,分别控制通风和降温;第四部分是蓝牙模块,通过蓝牙将获取的数据上传至手机;最后是蜂鸣器和LED灯,当检测到任意参数值超过阈值,声光报警。
硬件清单:











