首页 实物视频演示 仿真视频演示 设计说明书预览 答辩PPT预览
仿真视频演示:
软件安装:
资料预览
效果图:
总体资料:

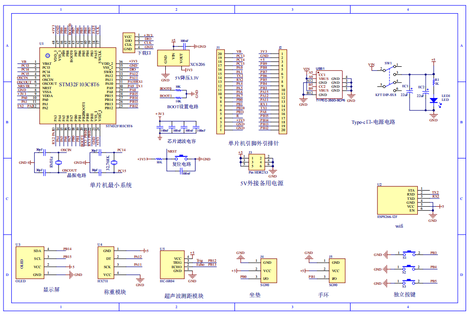
原理图:

软件设计流程:


系统框图:

本设计以STM32单片机为核心控制器,加上其他的模块一起组成的基于单片机的智能课堂防睡装置的整个系统,其中包含中控部分、输入部分和输出部分。中控部分采用了STM32单片机,其主要作用是获取输入部分数据,经过内部处理,控制输出部分。输入由四部分组成;第一部分是称重模块,检测重量;第二部分是超声波测距模块,用于检测学生与桌面的距离;第三部分是独立按键,用于切换界面、设置压力和距离阈值、配网;第四部分是供电电路,给整个系统进行供电。输出由四部分组成,第一部分是OLED显示屏, 通过该模块显示系统名称、压力和距离值及其阈值,是否打盹;第二部分是WIFI模块,可以连接手机同步数据,同时可以设置阈值;第三和四部分是坐垫和手环,当出现打盹现象,进行震动。
硬件清单:










