首页 实物视频演示 仿真视频演示 设计说明书预览 答辩PPT预览
仿真视频演示:
软件安装:
资料预览
效果图:
总体资料:

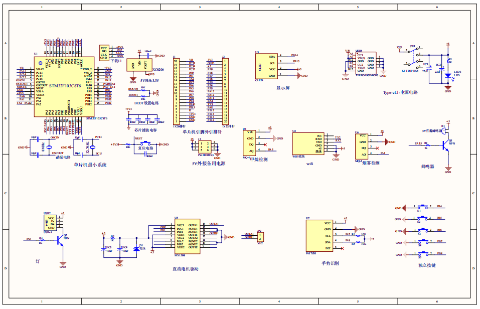
原理图:

软件设计流程:


系统框图:

本设计以STM32单片机为核心控制器,加上其他的模块一起组成基于单片机的智能抽油烟机控制器设计的整个系统,其中包含中控部分、输入部分和输出部分。中控部分采用了STM32单片机,其主要作用是获取输入部分数据,经过内部处理,控制输出部分。输入五部分组成,第一部分是手势识别模块,可以通过手势控制油烟机开关、档位;第二部分是MQ-2烟雾传感器模块,通过该模块检测当前烟雾浓度;第三部分是MQ-4燃气传感器模块,通过该模块检测当前燃气浓度值;第四部分是独立按键,通过该模块进行灯/风扇的开关,设置风速加减档,切换模式和关闭蜂鸣器;第五部分是供电电路,给整个系统供电。输出由五部分组成,第一部分是OLED显示屏,通过该模块显示风扇的状态、风速档位,烟雾和燃气值;第二部分是MX1508直流电机,用于驱动风速转动,来模拟抽油烟机;第三部分是WIFI模块,通过WIFI连接云平台将获取的信息上传并通过手机端;第四部分是USB灯,用于照明;最后一部分是蜂鸣器,当检测到燃气或者烟雾数值大于30,进行报警。
硬件清单:










