首页 实物视频演示 设计说明书预览 答辩PPT预览
实物视频演示:
软件安装:
资料预览
效果图:

总体资料:

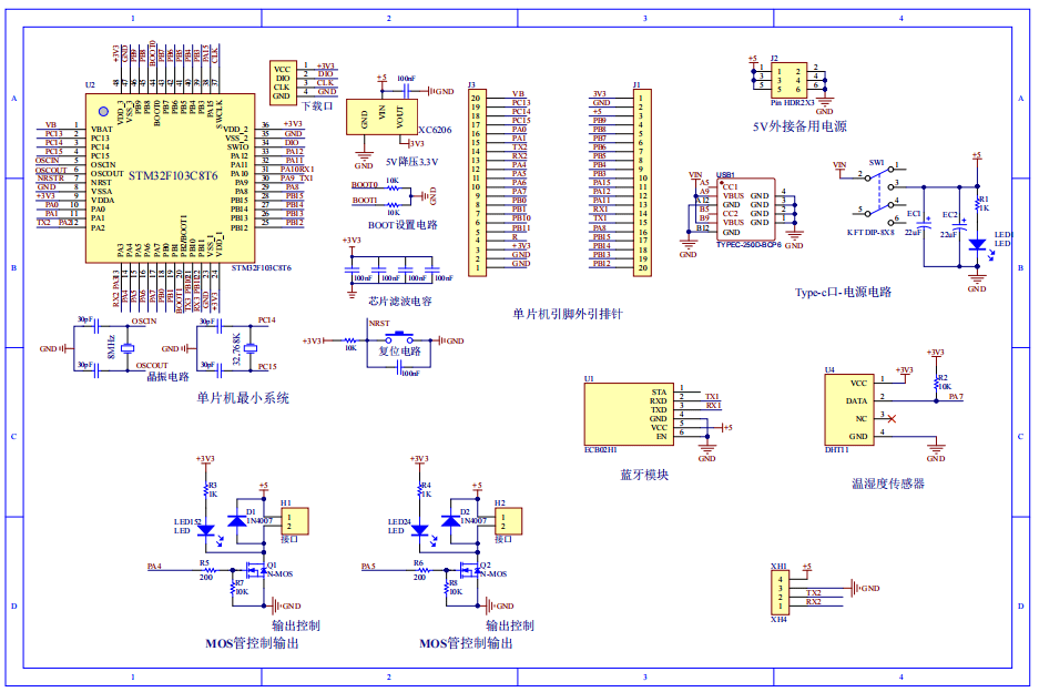
原理图:

软件设计流程:



系统框图:

本设计以STM32F103C8T6单片机为核心控制器,加上其他的模块一起组成基于单片机的智能鞋柜设计的整个系统,其中包含中控部分、输入部分和输出部分。中控部分采用了STM32F103C8T6单片机,其主要作用是获取输入部分数据,经过内部处理,控制输出部分。输入由两部分组成,第一部分是DHT11温湿度传感器,用于检测鞋子内的温湿度情况;第二部分是供电电路,给整个系统供电。
输出由四部分组成,第一部分是触摸屏,用于显示温湿度值,设置阈值等;第二部分是MOS管,外接风扇,进行通风;第三部分是MOS管,外接紫外线灯,进行杀菌;最后是蓝牙模块,通过该模块将获取数据上传手机端并进行设置。
硬件清单:








帮我描述该智能鞋柜流程图
发错地方了怎么删?
不用删除,没事的