首页 实物视频演示 仿真视频演示 设计说明书预览 答辩PPT预览
仿真视频演示:
软件安装:
资料预览
效果图:
总体资料:

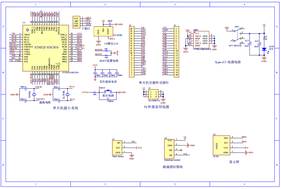
原理图:
软件设计流程:


系统框图:

本设计以STM32单片机为核心控制器,加上其他的模块一起组成基于单片机的雨水情监控系统设计,其中包含中控部分、输入部分和输出部分。中控部分采用了STM32单片机,其主要作用是获取输入部分数据,经过内部处理,控制输出部分。输入由三部分组成,第一部分是雨量传感器,用于采集雨量值。第二部分是水位传感器,获取当前的水位;第三部分是供电电路,给整个系统供电。输出由一部分组成,是OLED显示屏,显示当前的系统名称和水位、雨量值。
硬件清单:











