首页 实物视频演示 仿真视频演示 设计说明书预览 答辩PPT预览
仿真视频演示:
软件安装:
资料预览
效果图:
总体资料:

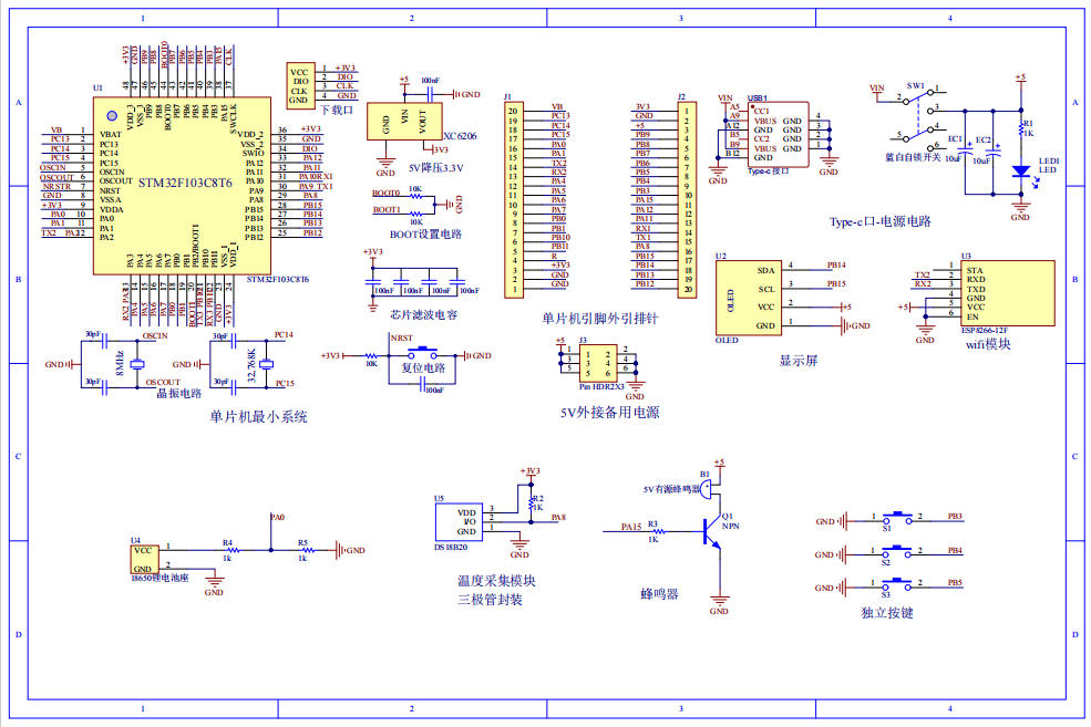
原理图:
软件设计流程:


系统框图:

本设计以STM32单片机为核心控制器,加上其他的模块一起组成基于单片机的新能源汽车电池监测的整个系统,其中包含中控部分、输入部分和输出部分。中控部分采用了STM32单片机,其主要作用是获取输入部分数据,经过内部处理,控制输出部分。输入由四部分组成,第一部分是温度采集模块,用于检测电池的温度;第二部分是固定锂电池,用于实时采集电池的电压、电流及电量信息;第三部分是独立按键,用于切换界面、设置电池温度、电压以及电流阈值等;第四部分是供电电路,给整个系统供电。输出由三部分组成,第一部分是OLED显示屏,显示显示电池温度、电压和电流以及显示设置的温度、电压和电流阈值等;第二部分是WIFI模块,通过WiFi连接手机,实现远程监测;最后一部分是蜂鸣器模块,电压、电流和温度超过阈值进行报警。
硬件清单:











