


首页      实物视频演示      仿真视频演示       设计说明书预览      答辩PPT预览
实物视频演示:
软件安装:
资料预览
效果图:

总体资料:

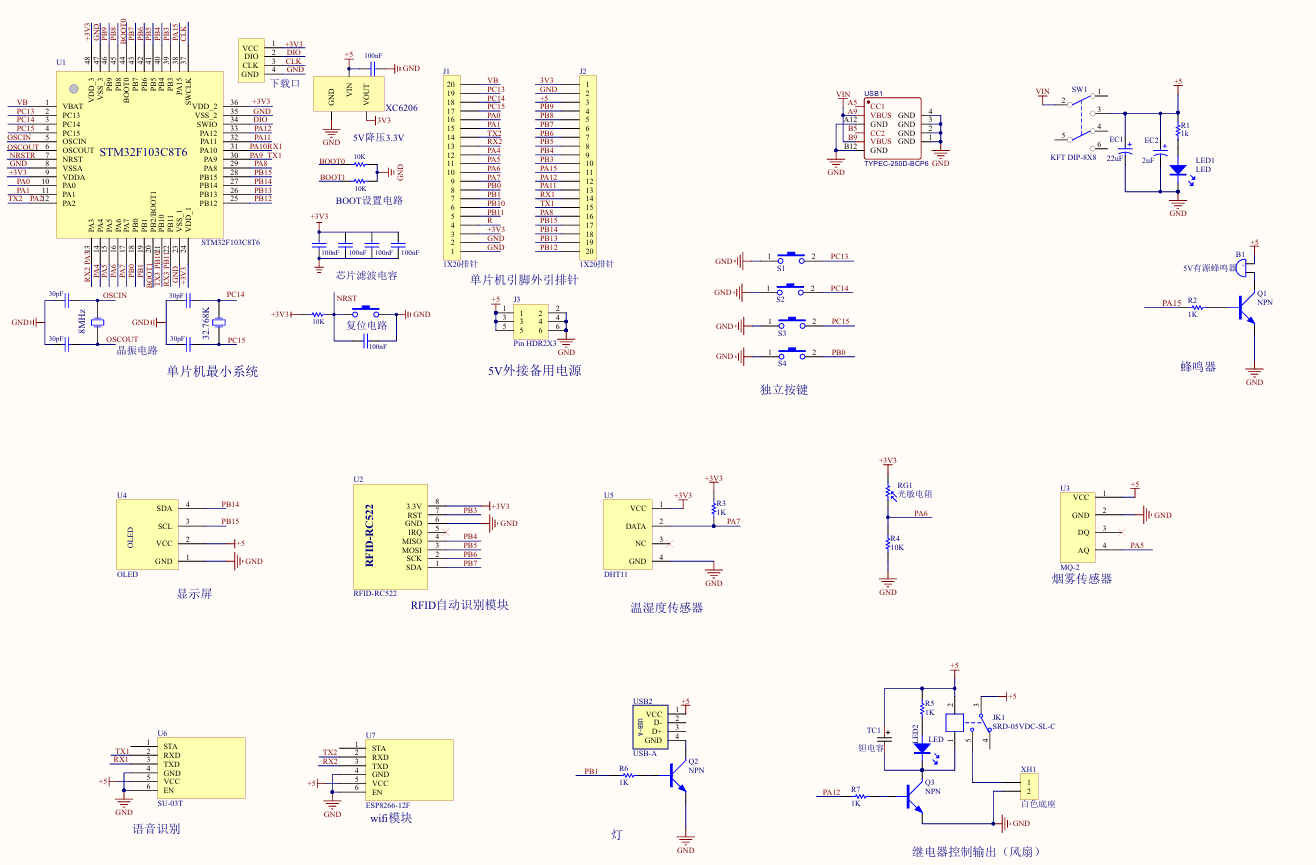
原理图:
软件设计流程:


系统框图:

本设计以STM32单片机为核心控制器,加上其他的模块一起组成基于单片机的校园室内体育管环境监测与控制系统,其中包含中控部分、输入部分和输出部分。中控部分采用了STM32单片机,其主要作用是获取输入部分数据,经过内部处理,控制输出部分。输入由七部分组成,第一部分是烟雾传感器,用于火灾监测;第二部分是湿温度传感器,用于监测室内的温湿度情况;第三部分是RFID自动识别模块,用于刷卡进入体育馆,并统计学生进入体育馆的人数;第四部分是光敏电阻,通过光敏电阻监测室内的光照情况,根据室内光照进行补光;第五部分是独立按键,用于清屏、切换界面、修改温度,光照以及烟雾阈值、手动开关风扇、手动开关灯;第六部分是供电电路,给整个系统供电。
输出由六部分组成,第一部分是OLED显示模块,温湿度、光照参数、体育馆人数、烟雾浓度、报警信息和设备的执行状态等;第二部分是语音模块,当出现火灾时用于语音播报,同时语音可以控制灯、风扇状态;第三部分是WIFI模块,给手机发送报警信息,并上传数据到手机端;第四部分是继电器输出模块,用于开关风扇;第五部分是蜂鸣器,当烟雾传感器超出阈值,蜂鸣器报警;第六部分是USB灯,自动模式下,当检测到有人且光照强度小于设置的阈值,USB灯亮。
硬件清单:










好评