首页 实物视频演示 仿真视频演示 设计说明书预览 答辩PPT预览
仿真视频演示:
软件安装:
资料预览
效果图:
总体资料:

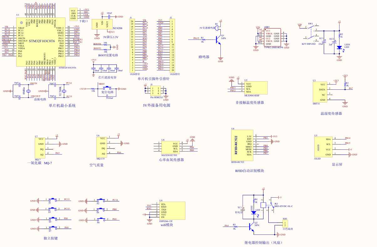
原理图:

软件设计流程:


系统框图:

本设计以STM32单片机为核心控制器,加上其他的模块一起组成基于STM32矿工工作安全监测系统,其中包含中控部分、输入部分和输出部分。中控部分采用了STM32单片机,其主要作用是获取输入部分数据,经过内部处理,控制输出部分。输入由八部分组成,第一部分是心率血氧传感器,用于监测矿下工人的心率血氧;第二部分是co传感器,用于矿下的一氧化碳浓度情况;第三部分是空气质量传感器,用于监测矿下的空气质量;第四部分是RFID自动识别,通过该模块可以设置一个RFID定位点,当识别到工人之后,可以进行显示工人到达位置;第五部分是非接触温度传感器,用于监测矿下工人的体温;第六部分是湿温度传感器,用于监测矿下的湿温度;第七部分是独立按键,用于切换界面、修改体温/心率/血氧/空气质量/CO/湿度阈值、注册卡界面;第八部分是供电电路,给整个系统供电。
输出由四部分组成,第一部分是OLED显示模块,用于显示矿工的心率血氧、体温和矿下的湿度、空气质量以及CO浓度等;第二部分是WIFI模块,可以给手机发送报警信息,并上传数据到手机端;第三部分是继电器,控制风扇开关;第四部分是蜂鸣器,当监测到的矿下工人的湿度、体温、空气质量、CO超过阈值或心率血氧不在阈值内且不为0时,蜂鸣器报警。
硬件清单:











