首页 实物视频演示 仿真视频演示 设计说明书预览 答辩PPT预览
仿真视频演示:
软件安装:
资料预览
效果图:
总体资料:

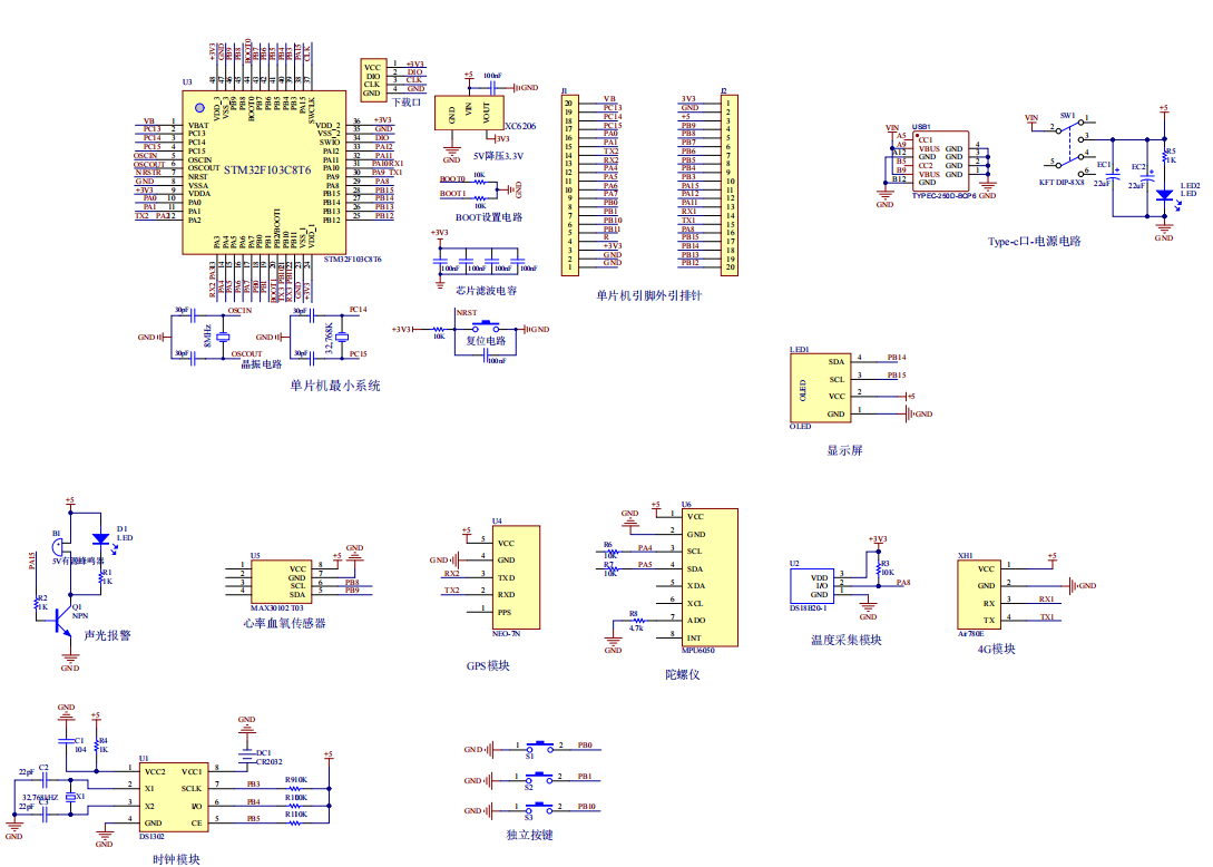
原理图:

软件设计流程:
系统框图:

本设计以STM32单片机为核心控制器,加上其他的模块一起组成基于STM32的老年人智能手环,其中包含中控部分、输入部分和输出部分。中控部分采用了STM32单片机,其主要作用是获取输入部分数据,经过内部处理,控制输出部分。输入由七部分组成,第一部分是时钟模块,用于获取时间;第二部分是MPU6050传感器,用于检测老人是否摔倒;第三部分是DS18B20温度传感器,可以检测出体温值;第四部分是GPS模块,通过该模块来获取经纬度位置;第五部分是心率血氧传感器,用于检测心率和血氧值;第五部分是供电电路,给整个系统供电;第七部分是独立按键,通过按键切换界面、设置心率血氧、体温阈值和获取网络时间。
输出由三部分组成,第一部分是OLED显示屏,用于显示时间、体温/心率血氧/经纬度位置,以及检测异常提示语,设置阈值界面;第二部分是声光报警,当发生摔倒/心率或体温异常,进行声光报警;最后一部分是4G模块,当发生摔倒/心率血氧或体温异常,发送对应短信,并上传到云平台等。
硬件清单:












系统框图:
