首页 实物视频演示 仿真视频演示 设计说明书预览 答辩PPT预览
仿真视频演示:
软件安装:
资料预览
效果图:
总体资料:

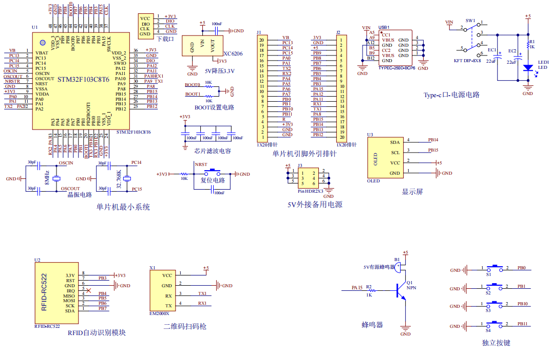
原理图:
软件设计流程:

系统框图:

本设计以STM32F103C8T6单片机为核心控制器,加上其他的模块一起组成的本设计是基于STM32的地铁售票系统的设计与实现,其中包含中控部分、输入部分和输出部分。中控部分采用了STM32F103C8T6单片机,其主要作用是获取输入部分数据,经过内部处理,控制输出部分。主机的输入由四部分部分组成,第一部分是RFID自动设别模块,识别卡片信息,支付;第二部分是二维码扫枪,进行扫码支付;第三部分是独立按键,进行切换界面、添加卡、删除卡、充值卡的操作;第四部分是供电电路,给整个系统供电。输出由两部分组成,第一部分是OLED显示模块, 显示售票信息;第二部分蜂鸣器,提示是否支付成功。








总体资料:
软件设计流程:
系统框图:

