首页 实物视频演示 仿真视频演示 设计说明书预览 答辩PPT预览
仿真视频演示:
软件安装:
资料预览
效果图:
总体资料:

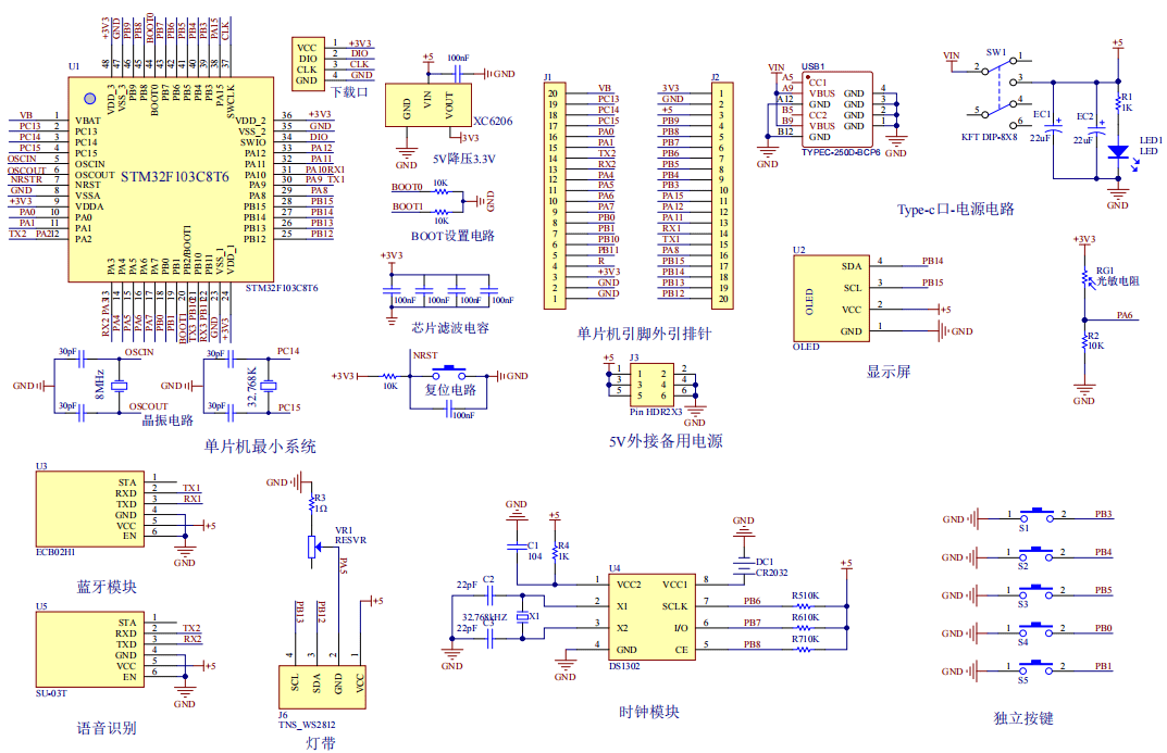
原理图:
软件设计流程:

系统框图:

本设计以STM32单片机为核心控制器,加上其他的模块一起组成的基于单片机的智能LED灯设计的整个系统,其中包含中控部分、输入部分和输出部分。中控部分采用了STM32单片机,其主要作用是获取输入部分数据,经过内部处理,控制输出部分。输入由六部分组成;第一部分是ECB02蓝牙模块,用于远程操控室内灯光,并设置电流监测灯光强度;第二部分是SU-03T声控模块,用于控制灯的开关、灯光强度与颜色变化;第三部分是光敏电阻,通过该模块可以检测当前光照强度;第四部分是时钟模块,获取网络时间;第四部分是独立按键,用于切换颜色、开关灯光、切换亮度;第五部分是供电电路,给整个系统进行供电。输出由两部分组成,第一部分是OLED显示屏, 通过该模块显示当前灯状态、灯色、光照强度等;第二部分是灯带,用于照明。
硬件清单:









总体资料:
软件设计流程:
系统框图:
