首页 实物视频演示 仿真视频演示 设计说明书预览 答辩PPT预览
实物视频演示:
软件安装:
资料预览
效果图:
总体资料:

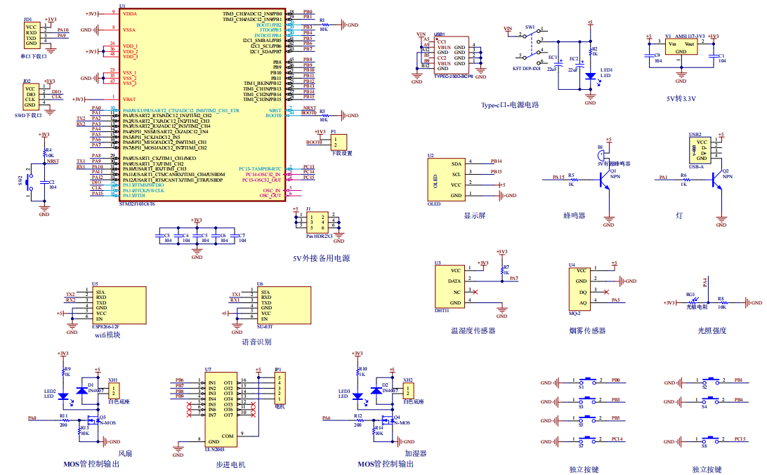
原理图:
软件设计流程:

系统框图:

本设计以STM32单片机为核心控制器,加上其他的模块一起组成基于语音控制的智能家居健康环境监测系统设计,其中包含中控部分、输入部分和输出部分。中控部分采用了STM32单片机,其主要作用是获取输入部分数据,经过内部处理,控制输出部分。输入由六部分组成,第一部分是温湿度传感器,检测当前温湿度;第二部分是光敏电阻,检测光照强度;第三部分是语音模块,获取语音指令控制设备;第四部分是烟雾传感器,检测烟雾浓度;第五部分独立按键,用于切换界面,设置阈值、开关设备等操作;第八部分是供电电路,给整个系统进行供电。输出由六部分组成,第一部分是OLED显示模块, 显示温湿度、烟雾浓度、光照强度、设置阈值界面等;第二部分是两个MOS管控制输出控制,控制风扇和加湿器;第三部分是步进电机、模拟窗帘的开关;第四部分是WIFI模块,通过WIFI将获取的数据上传至手机远程监控和控制;第五部分是蜂鸣器,当检测到环境数据异常,蜂鸣器报警提醒。
硬件清单:







总体资料:
软件设计流程:
系统框图:
