首页 实物视频演示 仿真视频演示 设计说明书预览 答辩PPT预览
实物视频演示:
软件安装:
资料预览
效果图:

总体资料:

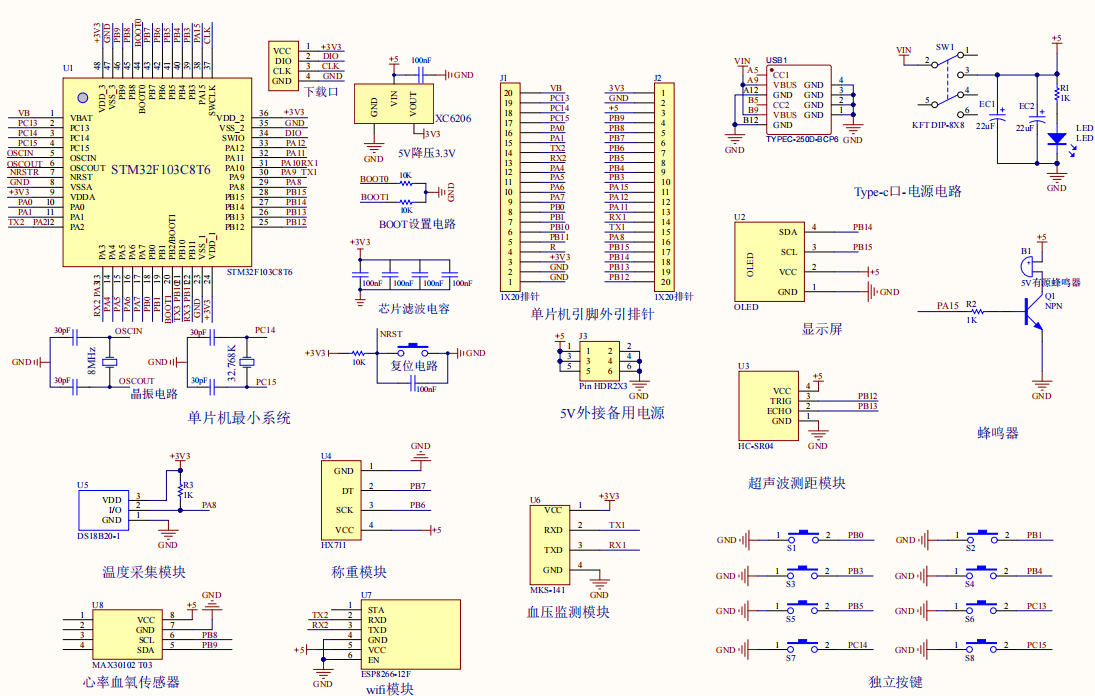
原理图:

软件设计流程:

系统框图:

本设计以STM32单片机为核心控制器,加上其他的模块一起组成基于STM32的个人健康助手的设计与实现,其中包含中控部分、输入部分和输出部分。中控部分采用了STM32单片机,其主要作用是获取输入部分数据,经过内部处理,控制输出部分。输入由七部分组成,第一部分是超声波测距模块,测量身高;第二部分是DS18B20温度采集模块,用于检测体温;第三部分是心率血氧检测模块,通过该模块检测心率和血氧值;第四部分时血压监测模块,监测血压值;第五部分时称重模块,获取体重;第六部分是独立按键,用于切换界面、清除存储记录以及存储数据;第七部分是供电电路,给整个系统进行供电。输出由三部分组成,第一部分是OLED显示屏, 显示身高、体重、体温、心率、血压值以及显示历史记录界面;第二部分是蜂鸣器,当检测到心率血压超过阈值,蜂鸣器报警;最后一部分是WIFI模块,通过WIFI模块数据上传云平台连接手机APP进行控制。
硬件清单:








系统框图:
