首页 实物视频演示 仿真视频演示 设计说明书预览 答辩PPT预览
实物视频演示:
软件安装:
资料预览
效果图:
总体资料:

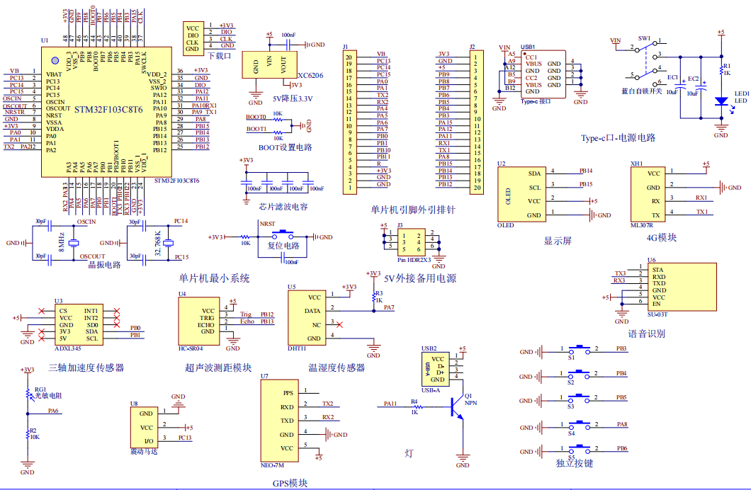
原理图:
软件设计流程:

系统框图:

本设计以STM32单片机为核心控制器,加上其他的模块一起组成基于单片机的智能导盲头盔的设计与实现的整个系统,其中包含中控部分、输入部分和输出部分。中控部分采用了STM32单片机,其主要作用是获取输入部分数据,经过内部处理,控制输出部分。输入由七部分组成,第一部分是HC-SR04超声波测距模块,用于检测距离障碍物的距离值;第二部分是GPS模块,用于获取经纬度位置;第三部分是三轴加速度传感器,用于检测是否摔倒和记录步数;第四部分是光敏电阻,用于检测光照强度;第五部分是温湿度传感器,用于检测温湿度;第六部分是独立按键,用于切换界面和模式、设置距离和光强下限、选择路线等;第七部分是供电电路给整个系统供电。输出由四部分组成,第一部分是OLED显示屏,显示经纬度位置、距离、跌倒情况以及距离和光强下限等;第二部分是4G模块,用于连接云平台将获取的数据进行上传,并发送报警短信;第三部分是DY-SV17F语音播报,用于方便盲人通过语音指令进行设置参数和播报行走路线;最后一部分是USB灯,用于照明,提醒对面的人防止撞击。
硬件清单:







总体资料:
软件设计流程:

系统框图:
