首页 实物视频演示 仿真视频演示 设计说明书预览 答辩PPT预览
实物视频演示:
软件安装:
资料预览
效果图:
总体资料:

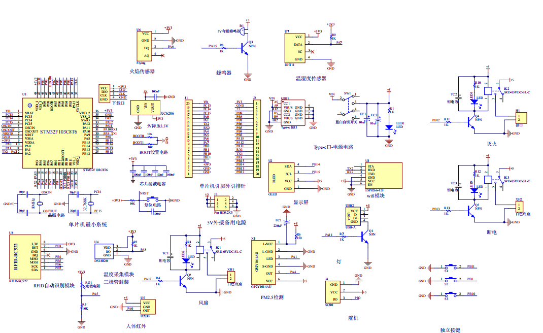
原理图:
软件设计流程:

系统框图:

本设计以STM32单片机为核心控制器,加上其他的模块一起组成基于单片机的智能机房管理系统的整个系统,其中包含中控部分、输入部分和输出部分。中控部分采用了STM32单片机,其主要作用是获取输入部分数据,经过内部处理,控制输出部分。输入由九部分组成,第一部分是温湿度传感器,用于检测温湿度;第二部分是PM2.5检测模块,用于检测PM2.5值;第三部分是DS18B20温度传感器,用于检测当前的电路温度;第四部分是光敏电阻,用于检测当前的光照值;第五部分是RFID模块,用于刷卡开门;第六部分是人体红外传感器,用于检测是否有人;第七部分是火焰传感器,用于是否着火;第八部分是独立按键,用于切换界面、添加/删除卡、设置温度/PM2.5/光强阈值等;第九部分是供电电路,给整个系统供电。
输出由六部分组成,第一部分是OLED显示屏,显示系统名称、机房温度和电路温度、PM2.5和光照,还有设置阈值、操作卡片等;第二部分是3个继电器,分别控制风扇(当机房温度大于阈值或PM2.5超过阈值,打开风扇)、模拟断电(电路温度大于阈值,进行断电)以及灭火;第三部分是WIFI模块,通过该模块连接云平台传输获取的数据;第四部分是蜂鸣器,机房温度/电路温度超过阈值,报警,还做完刷卡提醒音;第五部分是灯,有人并且光照强度小于下限;最后是舵机,用于模拟门锁的状态。
硬件清单:







总体资料:
软件设计流程:
系统框图:
