首页 实物视频演示 仿真视频演示 设计说明书预览 答辩PPT预览
仿真视频演示:
软件安装:
资料预览
效果图:
总体资料:

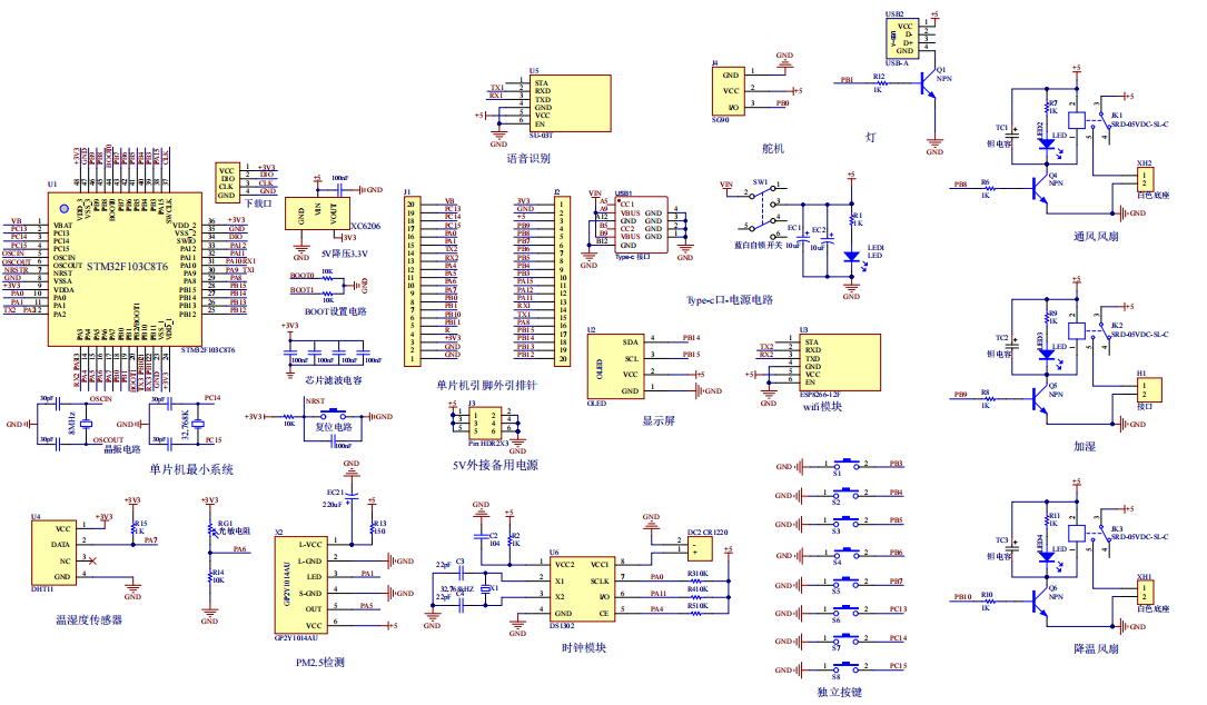
原理图:
软件设计流程:

系统框图:

本设计以STM32单片机为核心控制器,加上其他的模块一起组成基于STM32单片机的智能家居语音控制系统,其中包含中控部分、输入部分和输出部分。中控部分采用了STM32单片机,其主要作用是获取输入部分数据,经过内部处理,控制输出部分。
输入由六部分组成,第一部分是光敏电阻,用于检测当前的光照强度值;第二部分是时钟模块,用于获取时间;第三部分是温湿度传感器,用于获取温湿度值;第四部分是PM2.5模块,获取PM2.5值;第五部分是独立按键,用于切换界面、调节亮度、设置温湿度/PM2.5/光照等,还可以修改时间以及控制执行器开关;第六部分是供电电路,给整个系统供电。
输出由八部分组成,第一部分是OLED显示模块,显示时间、温湿度/光照/PM2.5值,以及显示设置阈值;第二部分是USB灯,当光照小于阈值,开灯,或者手动控制灯状态;第三部分是舵机,用于模拟门窗开关,可以通过手动控制;第四五六部分是3个继电器,分别控制通风风扇、加湿器、降温风扇,当PM2.5超过阈值,打开通风,当温度超过阈值,打开降温,当湿度小于阈值,打开加湿;第七部分是WIFI模块,用于上传数据,还可以控制灯、风扇、加湿器等工作;最后是语音模块,可以语音控制执行器开关、调节灯的亮度、还可以播报时间,采集的参数数据信息。
硬件清单:









总体资料:
软件设计流程:
系统框图:
