首页 实物视频演示 仿真视频演示 设计说明书预览 答辩PPT预览
实物视频演示:
软件安装:
资料预览
效果图:
总体资料:

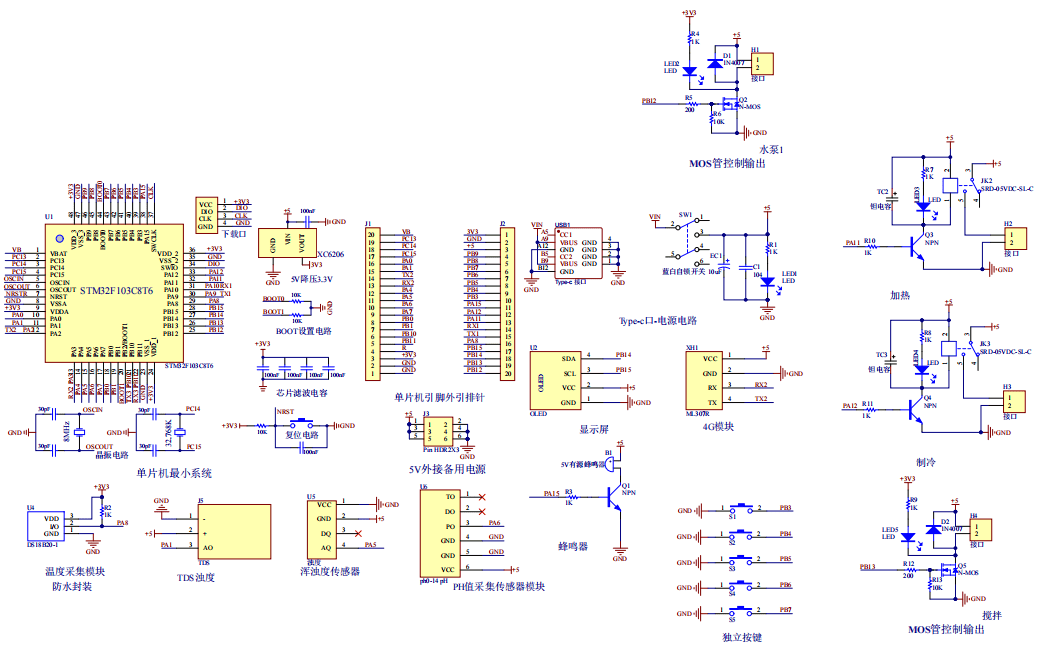
原理图:
软件设计流程:

系统框图:

本设计以STM32单片机为核心控制器,加上其他的模块一起组成的基于物联网的智慧楼宇饮用水监测系统的设计与实现,其中包含中控部分、输入部分和输出部分。中控部分采用了STM32单片机,其主要作用是获取输入部分数据,经过内部处理,控制输出部分。输入由六部分组成,第一部分是温度采集模块,实时监测饮用水的温度;第二部分是TDS浊度监测,监测水质;第三部分是浑浊度传感器,监测水中悬浮颗粒物含量;第四部分是ph采集传感器模块,检测水的酸碱度;第五部分是独立按键,用于切换界面和模式、设置阈值等;第六部分是供电电路,给整个系统供电。输出由五部分组成,第一部分是OLED显示屏用于显示水质参数(如温度、颗粒浓度、pH值、TDS等)、系统状态(如设备运行、报警等)等信息。第二部分是继电器,控制加热和制冷;第三部分是MOS管控制输出,用于驱动水泵搅拌机等电机类器件第四部分是蜂鸣器,当水质超过安全范围蜂鸣器报警提醒;最后一部分是4G模块,数据上传云平台,手机APP控制实现远程实时查看水质数据,接收水质异常报警信息。
硬件清单:







总体资料:
软件设计流程:
系统框图:
