首页 实物视频演示 仿真视频演示 设计说明书预览 答辩PPT预览
![]()
![]()
![]()
实物视频演示:
软件安装:
资料预览
效果图:
总体资料:

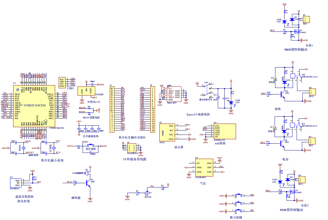
原理图:
软件设计流程:

系统框图:

本设计以STM32F103C8T6单片机为核心控制器,加上其他的模块一起组成的基于单片机的气囊式肌骨康复系统的设计与实现,其中包含中控部分、输入部分和输出部分。中控部分采用了STM32F103C8T6单片机,其主要作用是获取输入部分数据,经过内部处理,控制输出部分。主机的输入由三部分部分组成,第一部分是温度采集模块,获取温度;第二部分是压力传感器,监测压力控制充气泵;第三部分是电流传感器,采集肌肉电流数据;第四部分是独立按键,切换界面、设置阈值等;第五部分是供电电路,给整个系统供电。输出由五部分组成,第一部分是OLED显示模块, 通过该模块可以显示温度、压力、电流的值、阈值以及显示设置阈值界面等;第二部分是MOS管控制输出,控制水泵;第三部分是继电器控制输出,控制电击和加热;第四部分是蜂鸣器,当压力超过阈值蜂鸣器报警;第五部分是WIFI模块,数据上传云平台连接手机APP远程监控控制。
硬件清单:







总体资料:
软件设计流程:
系统框图:
