首页 实物视频演示 仿真视频演示 设计说明书预览 答辩PPT预览
![]()
![]()
![]()
![]()
![]()
![]()
![]()
实物视频演示:
软件安装:
资料预览
效果图:
总体资料:

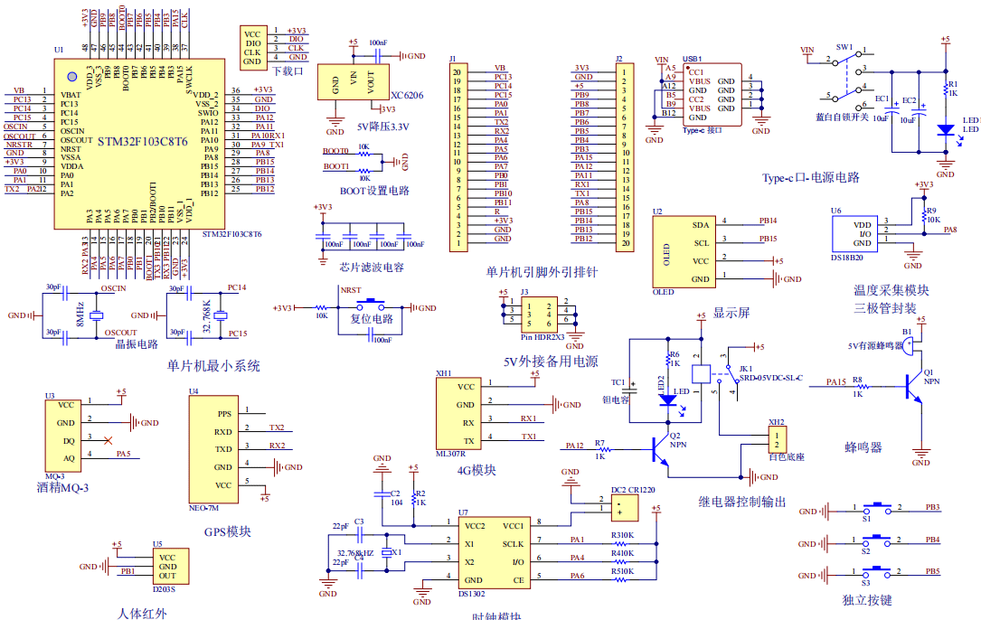
原理图:
软件设计流程:

系统框图:

本设计以STM32F103单片机为核心控制器,加上其他的模块一起组成的基于单片机的用于酒驾预防的汽车智能启停系统的设计 ,其中包含中控部分、输入部分和输出部分。中控部分采用了STM32F103单片机,其主要作用是获取输入部分数据,经过内部处理,控制输出部分。输入由七部分组成,第一部分是MQ气体传感器,对酒精气体进行监测;第二部分是GPS模块,获取位置信息;第三部分是温度采集模块,获取温度;第四部分是人体红外,监测是否有人;第五部分是时钟模块,获取网络时间;第六部分是独立按键,进行界面切换、设置阈值的操作;第七部分是供电电路,给整个系统进行供电。输出由四部分组成,第一部分是OLED显示模块,显示位置信息、酒精浓度、温度、时间、是否有人、是否酒驾以及显示设置酒精阈值界面;第二部分是继电器控制输出,模拟汽车启动停止;第三部分是蜂鸣器,监测到酒精浓度超过阈值,蜂鸣器报警提醒;第四部分是4G模块,连接云平台数据上传远程监控及控制发送短信将驾驶员酒驾信息和GPS定位传送给相应的接收端。
硬件清单:







总体资料:
软件设计流程:
系统框图:
