![]()
![]()
![]()
![]()
![]()
![]()
实物视频演示:
软件安装:
资料预览
效果图:
总体资料:

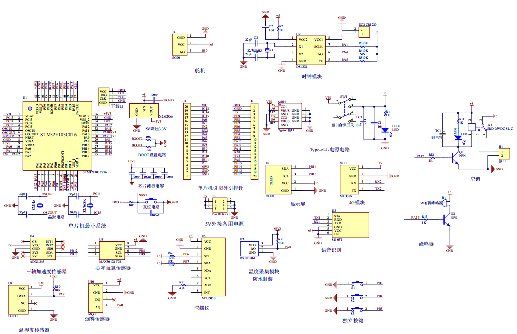
原理图:
软件设计流程:

系统框图:

本设计以STM32F103C8T6单片机为核心控制器,加上其他的模块一起组成的基于STM32单片机的智能家居养老系统的设计与实现,其中包含中控部分、输入部分和输出部分。中控部分采用了STM32F103C8T6单片机,其主要作用是获取输入部分数据,经过内部处理,控制输出部分。主机的输入由九部分部分组成,第一部分是温湿度传感器,获取环境温湿度;第二部分是心率血氧传感器,监测心率血氧;第三部分是三轴加速度传感器,监测老人姿态是否摔倒;第四部分是烟雾传感器,检测烟雾值;第五部分是步态传感器,检测持有者当天步数;第六部分是温度采集模块,检测持有者体温;第七部分是时钟模块,获取网络事件;第八部分是独立按键,切换界面、修改时间、设置阈值等;第七部分是供电电路,给整个系统供电。输出由六部分组成,第一部分是OLED显示模块, 显示监测到的环境参数、设置阈值界面等;第二部分是语音模块,语音控制设备的开关;第三部分是继电器控制模块,控制空调开关;第三部分是舵机,模拟窗户开关;第五部分是蜂鸣器,传感器监测到数据异常蜂鸣器报警提醒;第六部分是4G模块,数据上传云平台发送短信至手机。
硬件清单:







总体资料:
软件设计流程:
系统框图:
